
B. Europäische
Mehrsystemkonzepte
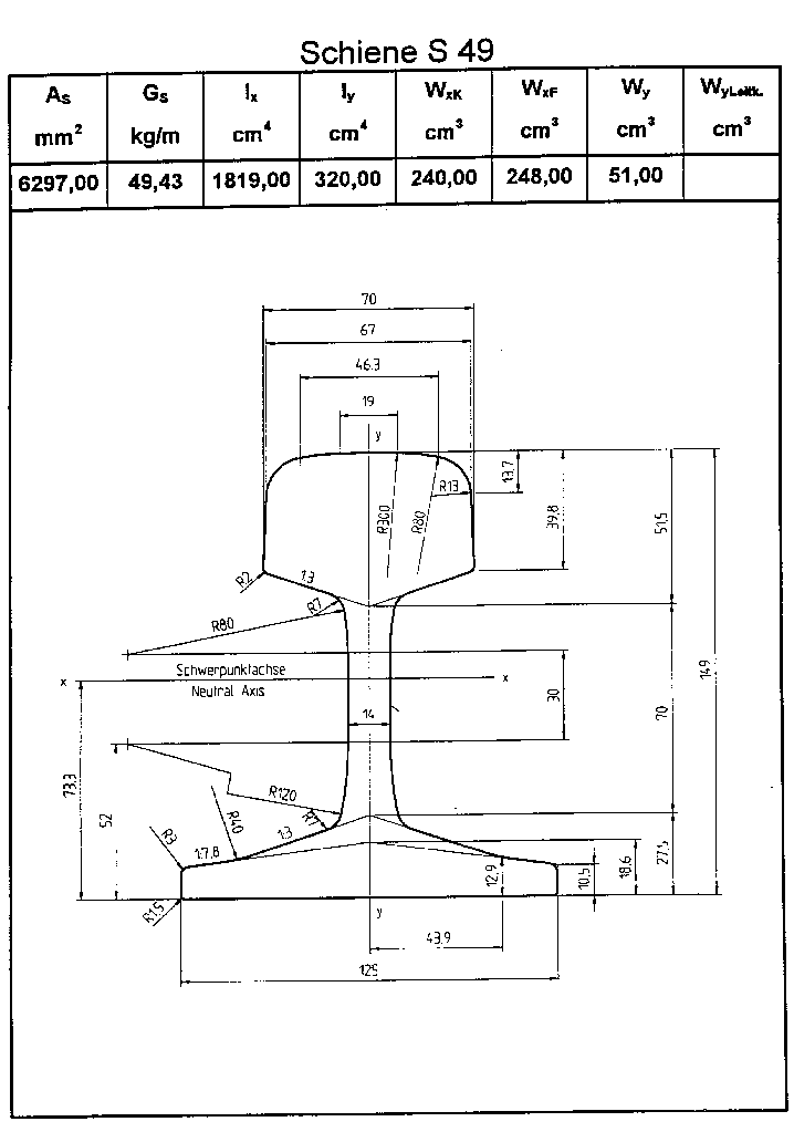
3. Eisenbahnprofile:
6. Karlsruhe
Es werden in dieser Arbeit nur solche Mehrsysteme
behandelt, die dem Nah- bzw. Regionalverkehr dienen. Systemlösungen
des europäischen Fernverkehrs (Stichworte: Mehrsystemloks, GSM-R,
Eurobalise, Eurocab etc.) würden zwar auch exakt in die Thematik passen,
sind aber dennoch von den Entwicklungen im Nahverkehr grundverschieden.
Beispielsweise unterscheiden sich die rechtlichen Bestimmungen grundsätzlich
(national/national bzw. national/international), und die Entwicklungsschwerpunkte
und Probleme der Systemgrenzen im technischen Bereich liegen anders. Außerdem
sind die Anforderungen nicht vergleichbar. Schon diese wenigen Aspekte
lassen eine Abgrenzung hier sinnvoll erscheinen und zeigen, daß die
Mehrsysteme des europäischen Fernverkehrs ein eigenständiges
Thema sind. Auch vom Umfang wäre hier der Rahmen einer Vertieferarbeit
bei weitem überschritten.
Natürlich ist die Trennung dieser beiden Bereiche
(nah/regional versus fern und international) nicht immer eindeutig möglich.
Als Beispiel dafür sei der grenzüberschreitende Nahverkehr (z.B.
Saarbrücken, Genf, Luxemburg, Straßburg, Aachen, Karlsruhe)
genannt, dessen Bedeutung in Zukunft sicher zunehmen wird, und der hier
auch am Rande Berücksichtigung findet.
Hauptsächlich sollen Mehrsysteme untersucht werden, die auf einen dauerhaften Betrieb ausgelegt sind und nicht dem zeitlich gleitenden Übergang von einer Betriebsform in eine andere dienen (Stichworte: Premetro, Umspurung via 3 Schienengleis etc.).
Lösungen für den Güterverkehr (Stichworte: Kombinierter Verkehr, Citylogistik via ÖPNV etc.) sind nicht Gegenstand der Untersuchungen. Auch dieser Teilaspekt ist so umfangreich, daß er ein eigenständiges Thema bilden würde.
Untersucht werden also nur artreine Personen Nah- / Regionalverkehrs-Mehrsysteme, wenngleich die verwendeten Strecken u.U. auch von anderen Verkehrsarten benutzt werden können.
Die Darstellung der einzelnen Konzepte erhebt keinen Anspruch auf Vollständigkeit. Vielmehr soll das Spektrum der verwirklichten bzw. geplanten Mehrsysteme exemplarisch dargestellt werden.
Der "aktuelle" Stand der Arbeit bezieht sich auf
den Juli 1998 bzw. den Stand der verwendeten Quellen, was wohl deshalb
besonders erwähnenswert ist, weil die Geschwindigkeit, in der momentan
neue Projekte geplant und realisiert werden, extrem hoch ist.
Tabelle
1: Gesetze und Verordnungen:
| AEG [1] | Allgemeines Eisenbahngesetz |
| BOA | Verordnung über den Bau und Betrieb von Anschlußbahnen |
| BOStrab [2] | Verordnung über den Bau und Betrieb der Straßenbahnen |
| DBGrG [1] | Deutsche Bahn Gründungsgesetz |
| EBO [3] | Eisenbahn Bau- und Betriebsordnung |
| EBOA | Eisenbahn Bau- und Betriebsordnung für Anschlußbahnen |
| ESBO [4] | Eisenbahn Bau- und Betriebsordnung für Schmalspurbahnen |
| ESO [5] | Eisenbahn Signalordnung (=DS 301) |
| EVO [1] | Eisenbahn-Verkehrsordnung |
| GG | Grundgesetz der Bundesrepublik Deutschland |
| LEG | Allgemeine Abkürzung für die verschiedenen Landeseisenbahngesetze |
| PbefG [6] | Personenbeförderungsgesetz |
Diese Schlüsselbegriffe sind folgendermaßen definiert:
Falls Meinungsverschiedenheiten darüber bestehen, ob eine Bahn in diesem Sinne zu den Eisenbahnen zu zählen ist, ist nach §2 (7) AEG oder nach §10 PbefG zu verfahren.
"Straßenbahn" §4(1) bzw. §4(2) Pbef.G
(1) Straßenbahnen sind Bahnen,
die
1. Den Verkehrsraum öffentlicher
Straßen benutzen und sich mit ihren baulichen und betrieblichen Einrichtungen
sowie in ihrer Betriebsweise der Eigenart des Straßenverkehrs anpassen
oder
2. Einen besonderen Bahnkörper
haben und in der Betriebsweise den unter Nummer 1 bezeichneten Bahnen gleichen
oder ähneln
und ausschließlich oder überwiegend
der Beförderung von Personen im Orts- und Nachbarschaftsbereich dienen.
(2) Als Straßenbahnen gelten
auch Bahnen, die als Hoch- und Untergrundbahnen, Schwebebahnen oder ähnliche
Bahnen besonderer Bauart angelegt sind oder angelegt werden, ausschließlich
oder überwiegend der Beförderung von Personen im Orts- oder Nachbarschaftsbereich
dienen und nicht Bergbahnen oder Seilbahnen sind.
Die Bestimmungen sind fein abgestuft. AEG und PbefG
erhalten nur grundsätzliche und allgemeine Regeln, da sie die übergeordnete
Norm sind, auf die sich jeweils mehrere Verordnungen beziehen. Aber auch
auf der Ebene der Verordnungen (EBO, ESBO und BOStrab) sind nur wichtige
technische und betriebliche Spezifikationen (z.B. Spurweite, Lichtraumprofile,
Fahrzeuge, Bahnanlagen) festgelegt. Genauere Vorschriften finden sich dann
auf der nächsten Regelungsebene, die aus Dienstvorschriften, Weisungen
oder anerkannten Regeln der Technik besteht.
Dies ist auch darin begründet, daß technische
Neuerungen hier schneller umgesetzt werden können als in Gesetzen
und Verordnungen, die "nur" in Abständen von mehreren Jahren geändert
werden.
Weisungsbefugt sind gem. §2(4) EBO auf Bundesebene
das EBA (Eisenbahn Bundesamt) und auf Länderebene die zuständige
Landesbehörde.
Unter den anerkannten Regeln der Technik
§2(1) EBO und BOStrab sind in den meisten Fällen (nicht zwingend,
siehe dazu [3] S.36 Rn8)
die Richtlinien und Festlegungen von übergeordneten Fachverbänden
(bzw. Arbeitsgruppen) und Normungsauschüssen zu verstehen.
Als wichtige Vertreter im Untersuchungsgebiet sind
hier die UIC (Union Internationale des Chemins de
fer (Internationaler Eisenbahnverband)) für den Bereich der
DB AG, der BDE (Bundesverband Deutscher Eisenbahnen) bei den NE Bahnen
und der VDV (Verband Deutscher Verkehrsunternehmen) für die "Straßenbahn"-Betriebe
zu betrachten.
DIN Normen und VDE (Verband Deutscher Elektrotechniker)
Vorschriften gelten stets als anerkannte Regeln der Technik.
Im Bereich der BOStrab seien hier folgende Richtlinien erwähnt:
Als nächstes rechtliches Unterscheidungskriterium
folgt das Besitzverhältnis des Eisenbahnbetriebs. Eine Sonderstellung
nimmt dabei die "Bundeseigene Eisenbahn" ein:
Gemäß Art 73(7) des GG steht dem Bund
bei Bundeseisenbahnen (die DB AG ist die derzeit einzige Bundeseigene Bahn)
die ausschließliche Gesetzgebung zu. (Bundesbahngesetz BbG
und jetzt Deutsche Bahn Gründungsgesetz DBGrG).
Für die Nichtbundeseigenen Eisenbahnen (NE)
gilt gemäß Art 74 Nr. 23 die konkurrierende Gesetzgebung. Die
Länder können also hier Gesetze erlassen, solange und soweit
der Bund von seinem Gesetzgebungsrecht keinen Gebrauch macht. Art 72(1)
GG.
Auf Bundesebene wurden z.B. das AEG, das HpflG (Haftpflichtgesetz)
und das EkrG (Eisenbahnkreuzungsgesetz) verabschiedet, sowie die Rechtsverordnungen
EBO, EVO und ESO erlassen, deren Gültigkeit sich –im Gegensatz zu
den Gesetzen, welche sich auf alle Eisenbahnen beziehen- nur auf alle öffenlichen
Eisenbahnen erstreckt.
Die Länder haben eigene Landeseisenbahngesetze
(im folgenden vereinfachend für alle Länder mit LEG bezeichnet)
erlassen, die für die NE Bahnen (neben den Bundesgesetzen bzw. Verordnungen)
weitergehende Regelungen als das AEG enthalten. [12]
Das EkrG hat aber auch für Straßenbahnen
Bedeutung. §1(5) EkrG besagt:
Straßenbahnen, die nicht
im Verkehrsraum einer öffentlichen Straße liegen, werden, wenn
sie Eisenbahnen kreuzen, wie Straßen, wenn sie Straßen kreuzen,
wie Eisenbahnen behandelt.
Wenn im weiteren der Begriff "Straßenbahn" Verwendung findet, ist dies im Sinne der Fahrzeuge, die gem. BOStrab betrieben werden, zu verstehen.
Eine Besonderheit besteht bei der EBO in der Unterscheidung
zwischen Haupt- und Nebenbahnen :
Der Betrieb als Nebenbahn stellt an die Strecke
hinsichtlich der Geschwindigkeit und der Belastungen geringere Anforderungen
und erlaubt hier einfachere bauliche und betriebliche Standards. (Man kann
es natürlich auch anders herum betrachten: Geringere Belastbarkeit
und einfacherer Ausbaustandard einer Strecke erfordern angepaßte
Geschwindigkeiten und Betriebsweisen.)
Eine Besonderheit im Rahmen der BOStrab ist die Klassifizierung verschiedener Bahnkörper in §16(4):
Weil die Art des Bahnkörpers bzw. der Bahnart im BOStrab Betrieb an zahlreiche Bedingungen geknüpft ist und die Regeln über die ganze BOStrab verstreut sind und daher etwas unübersichtlich erscheinen, nochmal die wichtigsten Kriterien in Tabellenform:
Tabelle 2: Zuordnung
der Bahnkörperarten bzw. Bahnarten zu wichtigen Vorschriften innerhalb
der BOStrab:
| Bahnkörper | Straßenbündiger
§16(4) und 16(5) |
Besonderer,
Kreuzungen mit Straßen, Wegen, Plätzen
§16(4) und 16(6) |
Besonderer,
mit Bahnübergängen
§16(4),16(6),55(3),20(7) |
Unabhängiger
§16(4) und 16(7) |
| Bahnbezeichnung | Straßenabhängig
§55(1) |
Straßenabhängig
(wg. Kreuz.)
§55(1) |
Unabhängig
§55(3) und 20(7) |
Unabhängig
§55(3) |
| Max Breite
[mm]
Max Höhe [mm] Max Länge [m] |
2650 §34(3)1a
4000 §34(3)1b 75 §55(2) |
2650 §34(3)1a
4000 §34(3)1b 75 §55(2) |
-
- - |
-
- - |
| Teilnahme am Straßenverkehr | Ja
§55(1) |
Nein, außer
Kreuzungen
§55(3) |
Nein
§55(3) und 20(7) |
Nein
§55(3) |
| Fahren auf Sicht | Ja, außer:
V>70 km/h,
Tunnel, Eingleisig im Gegenverkehr §49(2)2 und 49(5) |
Ja, außer:
V>70 km/h,
Tunnel, Eingleisig im Gegenverkehr §49(2)2 und 49(5) |
Nein
§49(2)1 |
Nein
§49(2)1 |
| Bremsen, besondere Anforderungen | Gefahrbremswerte
gem. Anlage 2 Tab 2,
Schienenbremse §36(5)3 und §36(5)1 |
Gefahrbremswerte
gem. Anlage 2 Tab 2,
Schienenbremse §36(5)3 und §36(5)1 |
- | - |
| Signaleinrichtungen
(gem. Anlage 3 5. und 7.) |
Z1 Scheinwerfer
§40(2)
+ Spitzensignal 51(7) Z2 Schlußlicht §51(7) Z3 Bremslicht §51(8) Z4 Blinker §40(3) Z5 Warnblinker §40(4) Sh5 Klingel/Pfeife §40(1) |
Z1 Scheinwerfer
§40(2)
+ Spitzensignal 51(7) Z2 Schlußlicht §51(7) Z3 Bremslicht §51(8) Z4 Blinker §40(3) Z5 Warnblinker §40(4) Sh5 Klingel/Pfeife §40(1) |
Z1 Spitzensignal
§51(7)
Z2 Schlußsignal §51(7) |
Z1 Spitzensignal
§51(7)
Z2 Schlußsignal §51(7) |
Weiterhin macht DIN-EN 12663 [18] Angaben über die Festigkeitsanforderungen von Schienenfahrzeugen. Folgende Werte werden für die Druckkraft in Längsrichtung gefordert:
Tabelle 3: Anforderungen
an die Längsdruckfrstigkeit nach DIN 12663
| Reisezugwagen; Lokomotiven | Triebzüge | U-Bahnen
S-Bahnen |
Leichte U- und
S-Bahnen |
Straßenbahnen |
| 2000 kN | 1500 kN | 800 kN | 400 kN | 200 kN |
Ferner wird eine aufnehmbare Kraft von 300kN unterhalb
des Stirnwandfensters und eine Widerstandsfähigkeit gegen eine Beschleunigung
von 2-5g (je nach Typ) gefordert (3g gem. UIC 651).
Weitere Vorschriften, die z.B. die Anforderungen
bei Flankenfahrten definieren, existieren nicht.
Im Bereich der BOStrab wurden vom VDV die "Empfehlungen für die Festigkeitsauslegung von Personenfahrzeugen nach BOStrab" entwickelt [19].
Die hohen Anforderungen an die Längsdruckkraft
von 1500 bzw. 2000kN sind allerdings auch als zu statisch und nicht mehr
zeitgemäß kritisiert worden [14]. Vielmehr
wird eine an die Verkehrsart angepaßte Stabilität gefordert.
Durch diese "Längskraft-Diskussion" wurden
auch Überlegungen ausgelöst, die sich mit der aktiven und passiven
Sicherheit (Eigenschutz/Partnerschutz) [20] auseinandersetzten.
Unter aktiver Sicherheit werden die Bemühungen verstanden, welche
Unfälle vermeiden helfen; Passive Sicherheit zielt darauf ab die Folgen
von Unfällen zu mindern. Bei den Fahrzeugen werden definierte Knickstellen
und gestaffelte Energieverzehreinrichtungen gefordert. Eine geringere Festigkeit
kann dadurch ausgeglichen werden [21]. Steife Wagenkastenkonstruktionen
führen im Kollisionsfall nämlich zu hohen Relativbeschleunigungen
der in Fahrtrichtung vorwärts sitzenden Fahrgäste mit nachfolgendem
Sekundäraufprall an der Inneneinrichtung, der dann die Schwere der
Verletzung bestimmt.
Die Entwicklung im Fahrzeugbau der Autoindustrie sind hier bereits viel weiter fortgeschritten. Wenn auch Crashversuche aus Kostengründen nicht in Betracht kommen, so können doch einzelne Erkenntnisse übertragen werden bzw. mittels neuer Computersimulationen berücksichtigt werden.
Eine genauere Betrachtung der Unfälle von 1971 ergab, daß die damaligen Unfallursachen heute nicht mehr relevant sind oder ausgeschlossen werden [16].
1992 wurde deswegen vom BMV ein Forschungsgutachten [22] in Auftrag gegeben, in dem geprüft werden sollte, ob die aufgrund der geringeren Strukturfestigkeit vermutete geringere passive Sicherheit durch eine höhere aktive Sicherheit des Fahrzeugs kompensiert werden kann und so der Betrieb gem. §2(2) EBO ("mindestens die gleiche Sicherheit") zugelassen werden kann. Dieses Gutachten führte zu den sogenannten LNT-Richtlinien [23] (LNT = Leichte Nahverkehrstriebwagen).
Die Einflußfaktoren auf die Sicherheit im Eisenbahnwesen
zeigen :
Abbildung
2: Elemente der sicherheitstechnischen Systembetrachtung
Quelle: [22]
Grundlage des Gutachtens ist ein Vergleich des Risikos
im reinen Eisenbahnbetrieb (Rechnung a) mit dem Risiko im Mischbetrieb
(Rechnung b). Dabei dient das bestehende Risiko des Eisenbahnbetriebs als
Bezugsrisiko.
Die Vergleiche werden für definierte Betriebsfälle,
die von der Streckenausrüstung und der Betriebsführung bzw. Betriebsdichte
abhängen durchgeführt.
Tabelle
4: Ausrüstungsstandard der gewählten Betriebsfälle
Quelle: [22]
Innerhalb dieser Betriebsfälle wird weiter nach dem Zugmix (EBO/LNT) und der Unfallart unterschieden. Unfallarten sind dabei:
Tabelle 5: Unfallwahrscheinlichkeiten
| Unfallart : | Unfallwahrscheinlichkeit / Zugkilometer |
|
|
|
|
|
|
|
|
|
|
|
|
|
|
|
|
|
Eine Aufschlüsselung der Unfallarten nach Streckentypen
liegt in der Statistik nicht vor. Diese wäre auch aufgrund der geringen
Unfallzahlen nicht aussagekräftig genug.
Deswegen wurden für die einzelnen Betriebsfälle
die Gesamtunfallwahrscheinlichkeiten (Netzbezogen, aber nach Unfallart)
verwendet.
Das Risiko errechnet sich nach:
R = Wu *
AS mit Wu Unfallwahrscheinlichkeit
/ Zugkilometer
AS Geschädigte Reisende / Schadensausmaß
Für die einzelnen Betriebsfälle wurde die Formel erweitert um die Zugdichte, den Zugmix und den Ausrüstungsstandard zu erfassen:
RB = NB *
SB * WF
* Wu *
AS
mit: NB Zahl der Zugeinheiten (EBO+LNT)
SB Faktor für Ausrüstungsstandard
WF EBO/LNT Verhältniss
Wu Unfallwahrscheinlichkeit
AS Schadensausmaß
Das Schadensausmaß wurde dabei ausgehend von
der Statistik in Expertenberatungen modifiziert. Die Differenzierung erfolgte
in Abhängigkeit von Geschwindigkeit und durchschnittlicher Personenzahl
der entsprechenden Fahrzeuge.
Um die vermutete geringere passive Sicherheit der
LNTs zu erfassen, wurden die AS-Werte bei den Unfallarten Zusammenstoß
infolge Flankenfahrt, Zusammenprall, Entgleisung und Aufprall gegenüber
den EBO-Werten verdoppelt. Alle Konflikte zwischen EBO und LNT wurden zudem
mit einem "Aversionsfaktor" von 3 belegt. Durch den Aversionsfaktor
werden Unfälle mit zunehmender Anzahl Opfer immer stärker gewichtet.
Insbesondere wird dadurch Katastrophenfällen mit sehr vielen Todesopfern
eine überproportionale Bedeutung zugeordnet. [24]
Tabelle
6: Schadensausmaß und Aversionsfaktoren
Schadensausmaß [geschädigte Reisende
pro Unfall (Gesamtzahl)]
Quelle: [22]
Wie zu erwarten, war ist unter diesen Annahmen das
Risiko des Mischbetriebs für jeden der Betriebsfälle höher
als das Bezugsrisiko (Rechnung b; Faktor 1.1 – 1.7).
Nun wurde geprüft, welche technischen oder
betrieblichen Maßnahmen ergriffen werden müssen, um das höhere
Risiko mindestens auf das Bezugsniveau abzusenken. Iteratives Vorgehen
ermöglichte es dabei aufzuzeigen, für welchen Betriebsfall welche
(abgestuften) Maßnahmen nötig sind (Ausgeführt in Rechnung
c und d).
Als Hauptvorteil des LNT gegenüber den EBO-Fahrzeugen
erweist sich das bessere Bremsvermögen. Ausgehend vom gemeinsamen
Betrieb mit anderen Fahrzeugen im Straßenraum sind hier die Anforderungen
der BOStrab verständlicherweise größer als die der EBO
an Schienenbahnen mit eigenem Fahrweg.
Demzufolge kann die Unfallwahrscheinlichkeit (Wu)
für LNT in Abhängigkeit von der Geschwindigkeit und der Unfallart
abgemindert werden :
Tabelle
7: Reduzierte Unfallwahrscheinlichkeiten
Quelle: [22]
Die evtl. zusätzlich vorhandene Sicherheit durch Knautschzonen wurde nicht miteinbezogen, da sie erstens schwer zu erfassen ist und zweitens das Gutachten auf die Beurteilung der aktiven Sicherheitsvorteile abzielt.
Allein die bessere Bremskraft der LNT bewirkt, daß das Risiko im Mischbetrieb für die Betriebsfälle 1 bis 4 sowie 5.1, 6.1 und 7.1 unter das jeweilige Bezugsniveau fällt (Rechnung c).
Tabelle
8: Ergebnis der Risikoabschätzung
Quelle: [22]
Durch die weitere Verminderung der Unfallwahrscheinlichkeit durch Verbot des technisch nicht gesicherten Linksfahrbetriebs und durch Sicherung gegenüber Rangierfahrten konnte das Risiko für alle Betriebsfälle –außer Betriebsfall 8- unter das Bezugsrisiko abgesenkt werden (Rechnung d).
Aufgrund dieser Ergebnisse wurden im Gutachten die
Bedingungen spezifiziert, unter denen ein Betrieb die Anforderungen des
§2 EBO erlaubt; diese wurden vom BMV am 28.12.93 den Landesverkehrsbehörden
mitgeteilt.
Allerdings erwiesen sich einige Anforderungen der
Richtlinie als zu restriktiv für die praktische Anwendung. Nicht in
jedem Fall lagen die Annahmen des Gutachtens, die sich natürlich an
den Extremen orientieren müssen, im praktischen Betrieb vor. Besonders
die Beschränkung der Geschwindigkeit auf 80 km/h und die absolute
Forderung nach Flankenschutz durch Schutzweichen standen einem effizienten
und kostengünstigen Betrieb im Wege. Deswegen wurde eine Reihe von
Einzelfallprüfungen erforderlich, was dem Gedanken der einheitlichen
und übersichtlichen Regelung widerspricht und zudem zeitaufwendig
und teuer ist.
Ein zweites ergänzendes Gutachten [25]
wurde deswegen angefordert, um Sicherheitsanforderungen einerseits und
praktische Nutzung andererseits enger abzustimmen.
Darin wurden -aufbauend auf dem ersten Gutachten
(nun mit Basisgutachten bezeichnet)- die Unfallarten erneut untersucht,
und die Unfallwahrscheinlichkeit für den Zusammenstoß infolge
Flankenfahrt konnte deutlich gemindert werden, weil hauptsächlich
Güterzüge von dieser Unfallart betroffen sind. Der Aversionsfaktor
von 3 wird für diese Unfallart nicht mehr angewendet.
Unter der Bedingung "Verbot von Rangieren von EBO-Fahrzeugen
auf mit LNT besetzten Gleisen" konnte die Unfallwahrscheinlichkeit für
die Unfallart Zusammenstoß infolge Auffahren gegenüber dem Basisgutachten
reduziert werden, weil die meisten Unfälle dieser Art im Rangierbetrieb
auftreten.
Die erneuten Berechnungen des Risikos für Mischbetrieb
wurden für eine Geschwindigkeit von Vmax=90 km/h sowie
100 km/h (anstelle 80 km/h) und für alle denkbaren Mischungsverhältnisse
von EBO/LNT (LNT-Anteil von 0-100 %) durchgeführt. Die (reduzierten)
Unfallwahrscheinlichkeiten wurden (wie im Basisgutachten) entsprechend
der Bremswegverhältnisse EBO/LNT für die Geschwindigkeiten 90
km/h und 100 km/h neu bestimmt
Die Schadensausmaße für vmax=100
km/h wurde für die Unfallarten 1,2,4 und 6 entsprechend der Zunahme
der kinetischen Energie im Moment des Aufpralls erhöht.
Die Berechnung erfolgte wieder iterativ in 3 Stufen
(Rechnungen e-g).
Daraufhin wurden Vorschläge für die LNT-Richtlinien
formuliert, die nach Geschwindigkeit und Betriebsfällen abgestuft
wurden.
Das BMV formulierte daraufhin die LNT-Richtlinien
mit Schreiben vom 24.4.95 neu:
Weiterhin müssen die Fahrzeuge natürlich alle sonstigen Zulassungsbedingungen unabhängig davon erfüllen.
DIN 25112 [27] unterscheidet z.B.
zwischen Profil A für "Straßenbahnen", Profil C für EBO-Fahrzeuge
und Profil B als Mischform, die aus A und C abgeleitet ist.
Gemäß den Spurführungsrichtlinien
zur BOStrab [28] werden sie (im Zusammenhang mit den
entsprechenden Radsatz- und Gleismaßen) mit Maßsystem A
– C bezeichnet.
DIN 5573 [29] spezifiziert das
"normale" EBO Profil entsprechend UIC-Merkblatt 510-2 [30],
was hier vereinfachend auch als Profil C benannt wird.
Das vierte Profil entstammt der ESBO in Anlage 5
zu §21.
Auch hier erfolgte die Entwicklung von Straßenbahnen
und Eisenbahnen den unterschiedlichen Anforderungen entsprechend in verschiedene
Richtungen.
Die Entwicklung der Straßenbahnen ging dabei
von den Pferdebahnen aus.
Das Zusammenspiel von Radprofilen und Schienenformen
wird durch die sogenannten Quermaße (siehe Abbildung 3) geregelt.
Neben den Radsatzquermaßen mit seinen verschiedenen Grenzwerten gibt
es Quermaße für das Gleis und die besonderen Bereiche der Gleisverbindungen,
wie Kreuzungen und Weichen. Innerhalb der einzelnen Radprofilgruppen sind
diese Quermaße genau aufeinander abgestimmt. Sie garantieren die
sichere Spurführung und sind Ergebnis einer langen Entwicklung.
Innerhalb des Maßsystem A existieren die Spurweiten
Meterspur (1000 mm) und Regelspur (1435 mm); bei der ESBO die Spurweiten
Meterspur (1000 mm) und 750 mm. Die Systeme B und C kennen nur die Regelspur
(1435 mm).
Abbildung
3: Maßbezeichnungen
Quelle: [28]
Im Straßenbahnbereich existieren Weichen mit Flachrillen und mit Tiefrillen. Die klassischen Straßenbahnweichen sind die mit Flachrillen, in denen der Spurkranz über einen angerampten Rillenboden aufläuft und so die Lauffläche vom Schienenkopf abhebt. Die Radführung wird durch die steilen Flanken der Flachrillen übernommen. Aufgrund der früher sehr schmalen Radbreiten bedeutet eine unterbrochene Fahrkante im Weichenbereich, daß das Rad nicht mehr auf der Flügelschiene laufen kann, bis es auf dem Herzstück auflaufen kann, sondern daß es in das Herzstück "hineinfällt". Die Tiefrillenweichen entsprechen eher den EBO Weichen und sind mit zunehmender Radreifenbreite gebräuchlicher geworden.
Radlenker dienen der Führung des Radsatzes im führungslosen Bereich von Weichen oder Kreuzungen. Der (die) Radlenker sind an der dem Herzstück gegenüberliegenden Seite angeordnet und führen das dortige Rad am Radrücken. Die Länge der Radlenker wird von den Radständen der Drehgestelle mitbestimmt. Sie verfügen über einen verbreiterten Einlauf, und die Rillenweite verjüngt sich bis auf Herzstückhöhe auf ein Minimum, wonach die Rilllenweite wieder bis zum Einlaufbereich zunimmt. Die Überhöhung der Radlenker (bei Rillenschienen nicht möglich J ) verkürzt die führungslose Strecke (je nach Raddurchmesser, Weichenwinkel und Herzstückausbildung; siehe Abbildung 4). U. a. hängt deswegen auch die erforderliche Spurkranzhöhe (EBO Anlage 6 zu §21) vom Durchmesser der Räder bzw. vielmehr der Meßkreisebene der Räder ab. Die Anforderungen sind in zwei Bereiche geteilt: >760 mm und 330 bis 760 mm, welche häufig auch als "kleine Räder" bezeichnet werden.
Abbildung
4: Führung des Radsatzes im Herzstückbereich
Quelle: [33]
Gummigefederte Räder, also Räder, bei denen zwischen Radreifen und Radscheibe ein Gummi sitzt, sind aufgrund ihrer Konstruktionsart gegenüber Querkräften (z.B. Stöße) elastisch, also auch axial verschieblich. Dies kann natürlich Auswirkungen auf die Spurführung haben und muß berücksichtigt werden. Die SpR der BOStrab läßt z.B. ein nachgewiesenes Höchstmaß der Querelastizität von 2mm zu.
Die in Abbildung 5 definierte Sicherheitsstrecke ist der Weg, den das Rad aufklettern muß, bis Entgleisen möglich ist (Aufklettern bezeichnet den Vorgang des Hinaufdrückens eines Rades unter Reibschluß durch seitliche Kräfte.). Die Länge der Sicherheitsstrecke ist in 3.3 der SpR zur BOStrab mit mindestens 4 mm gefordert. Die Sicherheitsbreite b ist ähnlich dem in der EBO Anlage 6 definierten Spurkranzflankenmaß qR oder den q-Maßen der Bilder 11.1, 12.1 und 13.1 der SpR. Sie ist abhängig vom Neigungswinkel b der Spurkranzflanke und der absoluten Höhe des Spurkranzes. Die EBO fordert einen qR-Wert von mindestens 6,5 mm, was garantiern soll, daß die Spurkranzflanken nicht zu steil werden und so zum aufsteigen auf klaffenden oder abgenutzten Weichenzungen neigen (Aufsteigen bezeichnet den Vorgang des Hinauffahrens eines Rades durch Auflaufen des Spurkranzes auf ein im Weg befindliches Hindernis.).
Abbildung 5: Radprofil A mit 12mm Hohlkehle auf Schiene mit 14mm Kopfeckausrundung / Definition Sicherheitsstrecke etc.
Die Hohlkehlen der Radprofile haben unterschiedliche
Ausrundungshalbmesser. Das Maßsystem A und das ESBO Standardprofil
schreiben 12 mm vor. Die Systeme B und C (mit allen Varianten) runden mit
13 bis 15 mm aus. Die Kopfeckabrundungen der "zugehörigen" Schienentypen
betragen 10 mm bei System A und 13 oder 14 mm bei den Systemen B und C.
Der Fall daß ein Profil mit größerem als vorgesehenem
Radius die Schiene befährt ist –vorausgesetzt, daß alle anderen
Bedingungen eingehalten sind- unproblematisch [34]. Durch
den erhöhten Schienenverschleiß bzw. die größer werdende
Schienenkopfabrundung können allerdings Fahrzeuge mit Radprofilen,
die kleinere Hohlkehlenausrundungen (und Spurkranzhöhen) besitzen,
gefährdet sein.
Den umgekehrten Fall, daß ein kleiner Radius
auf einer großen Kopfeckausrundung fährt, zeigt Abbildung 5.
Der Spurkranzberührungspunk A wandert in diesem Fall nach unten. Es
kann nun sein, daß die vorgeschriebenen Maße qR bzw.
q oder die Sicheheitsstrecke nicht mehr eingehalten werden können.
Wir haben es also hier –trotz evtl. gleicher Spurweite-
mit zwei sehr verschiedenen Systemen zu tun. Beide Rad/Schiene Systeme
sind für Ihren Bereich optimiert und haben eigene Richtlinien. Dabei
ist zu beachten, daß bei den Straßenbahnen noch sehr viele
verschiedene Varianten von Radprofilen existieren. Auch hier war wieder
der "Inselbetrieb" die Ursache.
Anders verhält es sich im EBO Bereich. Hier
ist eine weitgehende Standardisierung erreicht (siehe Abbildung 7). Bei
der DB wurde 1969 nach umfangreichen Untersuchungen das Radprofil "DB II"
eingeführt, was zur Gruppe der "verschleißangepaßten Profilen"
gehört. D.h. die Radaufstandsfläche ist von Beginn an größer
als beim Rad mit geradem Kegel und die Unterschiede zwischen Neuprofil
und verschlissenen Profil sind geringer. Inzwischen wird das Profil UIC-ORE
S 1002 (gem. UIC-Merkblatt 510-2) verwendet, dessen Unterschiede zum Profil
DB II aber nicht allzu wesentlich sind [35]. Somit ist
sogar ein international einheitlicher Standard vorhanden.
Abbildung
7: Radprofilvergleich DIN25112/3; DIN5573 und DBII
siehe Anhang D.I.3
Um die Entwicklung zu eisenbahnähnlichen Bahnen zu unterstützen und Übergangsmöglichkeiten zu schaffen, wurde das Maßsystem B für regelspurige Bahnen eingeführt.
Die wesentlichsten Unterschiede gegenüber dem Profil des Maßsystem A sind:
Abbildung
8: Radprofilvergleich DIN 25112 Teil 1 bis 3 (A-C)
siehe Anhang D.I.1 -3
Unterschiede des Profils ESBO gegenüber System A (siehe Abbildung 9):
Abbildung
9:Radprofilvergleich DIN 25112/1 mit ESBO-Profil
siehe Anhang D.I.1 und 4
Die Vorgaben in §18 BOStrab sind ganz allgemein
gefaßt und geben keine festen Maße vor (Regellichtraum, Mindestabstände
etc.), sondern definieren nur die einzelnen Begriffe und schreiben vor,
daß Fahrzeuge keine Berührungen mit anderen Fahrzeugen oder
Einbauten haben dürfen. Dies bedeutet, daß der benötigte
Lichtraum vor Ort festzulegen (und ggf. nachzuweisen) ist. Dabei ist es
von Vorteil, daß bei örtlichen Zwängen durch geeignete
fahrzeugtechnische, gleistechnische und betriebliche Maßnahmen dieser
benötigte Lichtraum reduziert werden kann [36].
Die "neuen", vorläufigen Lichtraum-Richtlinien sind noch in der Erprobungsphase.
Auch hier wird nun –wie in der EBO- ein Wahrscheinlichkeitsansatz zugelassen.
§19 enthält Anforderungen an Sicherheitsräume
außerhalb des Lichtraums.
Eine wichtige Einschränkung enthält §34(2),
wonach die maximal zulässige Breite von straßenabhängigen
Bahnen 2650 mm beträgt (oberhalb von 3000 mm nur eine Breite von 2250
mm). Die Höhe ist –mit abgezogenem Stromabnehmer- auf 4000 mm beschränkt.
Straßenabhängige Bahnen sind gem. §1(2) BOStrab bzw. §4(1)
PbefG Bahnen, die gem. §16(4) BOStrab auf Straßenbündigen
oder Besonderen Bahnkörpern verkehren. Dies hängt mit der zulässigen
Fahrzeugbreite für Kraftfahrzeuge zusammen, die nach §32(1) StVZO
bzw. §18(1) und §22(2) StVO auf 2550 mm begrenzt ist. Die maximal
zulässige Höhe für Kraftfahrzeuge ist ebenfalls auf 4000
mm festgelegt.
In DIN 25100 [37] werden Querschnitte
von Nahverkehrsfahrzeugen festgelegt, wobei die Bezeichnungen Form
A, B und C wohl eine Anlehnung an die Maßsysteme aus dem
Bereich Spurführung ist. Für Form A wird eine Breite von 2400
mm, für Form B eine von 2650 mm angegeben. Form C ist mit 2900 mm
nur auf unabhängigen Bahnkörpern zu betreiben, was auch durch
Profilfreihaltung für Seitenstromabnehmer gekennzeichnet ist.
Die EBO macht dagegen sehr genaue Angaben über
Regellichtraum einerseits und Fahrzeugbegrenzungen andererseits. Dies ist
aufgrund der (schon erwähnten) netzweiten Freizügigkeit erforderlich.
EBO Fahrzeuge haben eine maximale Breite von 3290
mm, was aber eher theoretischen Wert hat weil dabei die kinematischen Einflüsse
nicht berücksichtigt sind. Die Mehrzahl der EBO Fahrzeuge haben daher
je nach Typ, zugl. Geschwindigkeit und Einsatzgebiet eine Breite, die sich
zwischen 2850 mm und 3100 mm bewegt. Die entsprechenden theoretischen Maximalwerte
der ESBO betragen 2900 mm für Meterspur und 2500 mm für eine
Spurweite von 750 mm. Jedoch schreibt auch die ESBO für Fahrzeuge,
die am öffentlichen Straßenverkehr teilnehmen, eine Höchstbreite
von 2650 mm in §22(2) vor.
Auch zur unteren Fahrzeugbegrenzung macht die EBO
Angaben, die auch Auswirkungen auf die Gestaltung der Bahnsteige haben.
Anlage 1, Bild 2 der EBO gestattet für feste
Einrichtungen an Bahnübergängen (z.B. Eindeckungen aus Beton,
Holz oder Gummi), die nicht der Führung am Radrücken dienen,
einen Abstand zur Fahrkante von nur 45 mm. Gemäß der SpR zur
BOStrab ist ein Abstand von 70 mm einzuhalten. Unter Berücksichtigung
der Verschleißgrenzen muß ein sicherer Betrieb geprüft
werden.
Für die Verwendung von Magnetschienenbremsen
zwischen den Rädern eines Radsatzes wird ein Mindestabstand von 55
mm über SO (Schienenoberkante) von der DB verlangt [38].
Die EBSO erlaubt ausdrücklich in §22(8) die Unterschreitung dieses
Maßes. Bei Straßenbahnen ist es gebräuchlich, die Aufhängung
bei 8 mm bis 12 mm über SO vorzunehmen.
Bahnsteige:
Die BOStrab enthält keine Angaben über
Abstände der Bahnsteigkanten zur Gleisachse o.ä. Diese ergeben
sich also aus den erforderlichen Lichtraumanforderungen. Auch Höhenangaben
werden nicht gemacht. In §31(7) wird der maximal zulässige Spalt
zwischen Fahrzeugfußboden (oder Trittstufen) und Bahnsteigkante auf
25cm begrenzt. §31(8) schreibt allgemein vor, daß das Ein- und
Aussteigen für die Fahrgäste bequem sein muß und
daß der Fahrzeugboden nicht tiefer als die Bahnsteigoberfläche
liegen soll.
Im BOStrab Bereich sind demzufolge alle Arten von
Bahnsteigen vom straßenbündigen "Bahnsteig" bis zu Hochbahnsteigen
im U- oder Stadtbahnbereich anzutreffen.
In der EBO sind auch hierzu detailliertere Angaben zu finden (§13). Neue Regelhöhe für Personenbahnsteige soll 76cm (über SO) werden. Allerdings sind auch Höhen von 38cm bis 96cm zulässig. Dabei finden 96cm hohe Bahnsteige Verwendung, wenn an ihnen ausschließlich S-Bahnen ("Stadtschnellbahnen") verkehren. In den neuen Bundesländern sind Bahnsteige mit einer Höhe von 55cm (UIC-Merkblatt 741 schlägt Höhen von 55cm oder 76cm vor. [39] ) weiter verbreitet.
Die Problematik besteht in der Vielzahl der verschiedenen
Bahnsteighöhen, sowie der verschiedenen Fußbodenhöhen bzw.
Trittstufen der eingesetzten Fahrzeuge. Diese Zustände können
auch wegen der langen Nutzzeiten der Fahrzeuge und des enormen finanziellen
Aufwands für Umbaumaßnahmen in absehbarer Zeit kaum vereinheitlicht
werden.
Der Spalt zwischen Bahnsteig und Fahrzeug hängt
einerseits von der Bahnsteighöhe ab, da hier der Regellichtraum für
verschiedenen Höhen und Einzeleinflüsse (z.B. Radius, Überhöhung,
Spurweite, zufallsbedingte Verschiebungen, festgelegte Gleise) unterschiedliche
Gleisachsabstände vorschreibt, andererseits natürlich von den
Fahrzeugbegrenzungen, die ja wie schon weiter oben bemerkt unterschiedlich
sein können.
Für die Zukunft sind folgende Entwicklungen
zu erwarten: Die Züge des Fernverkehrs (also z.B. ICE, IC, IR) werden
weiterhin mit einer Fußbodenhöhe von ca. 125cm (über SO)
betrieben bzw. beschafft. Ebenso die S-Bahnen mit 100cm "Standard"-Fußbodenhöhe.
Lediglich bei den Regional- und Stadtverkehrszügen ist ein Trend zu
niedrigeren Fußbodenoberkanten (um die 60cm, aber teilweise auch
80cm) zu verzeichnen. Einerseits deshalb, weil diese auch an sehr niedrigen
Bahnsteigen verkehren (38cm und darunter), andererseits, weil durch den
verstärkten Einsatz von Doppelstockwagen mit Tiefeinstieg im Untergeschoß
diese Höhe konstruktiv bedingt ist. [40]
Die ESBO schreibt über die ganze Höhe eine senkrechte Fahrzeugbegrenzungslinie vor; parallel dazu, um 20cm versetzt, verläuft die Umgrenzungslinie des lichten Raumes. Gem. §9(3) darf dieser Mindestabstand bis auf 15cm abgemindert werden, sofern nur Personenverkehr auf der Strecke betrieben wird. Außerdem dürfen nach §9(4) Satz 3 Bahnsteige bis an die Fahrzeugbegrenzungslinie reichen.
Bisher mußten bei der Einrichtung von höhengleichen Fahrzeugzugängen immer die betrieblichen Grenzwerte mitberücksichtigt werden. D.h. die unterste Lage des Fahrzeugbodens ergab sich aus dem Grenzmaß des abgefahrenen Rads bzw. der Schiene, aus der Einfederung infolge Belastung u.ä. Faktoren. Diese Höhe ergibt dann die Höhenlage des Bahnsteigs. Im anderen Extremfall (also hauptsächlich neue Radreifen, keine Belastung) entsteht also ein Höhenunterschied, der in der Größenordnung von 150 mm und mehr liegen kann. Zukünftige Entwicklungen können durch eine ausgleichende Steuerung der Höhenlage des Wagenkastens für wirklich stufenlosen Übergang in allen Betriebszuständen sorgen.
Abbildung
10: Straßen- /Stadtbahn im EBO Lichtraum
Quelle: [41]
Im EBO/ESBO Bereich wird im Raumabstand gefahren, der im Regelfall durch technische Zugsicherung gewährleistet wird. Auf Nebenstrecken kommt auch das so genannte Zugmeldeverfahren zum Einsatz, welches die Züge durch die an einer Stelle gebündelte Streckenübersicht und die Zustandsänderungen durch Zugmeldungen überwacht.
Im Bereich der BOStrab kommen als technische Zugsicherung meistens Fahrsperren (IMU) zum Einsatz, die einen Zug selbsttätig zum stehen bringen können. Beim Fahren auf Sicht sind z.B. Weichen als besondere Gefahrenpunkte damit abgesichert; ansonsten die Blockstrecken oder eingleisige Abschnitte. Bei U-Bahnen wird aber auch schon die LZB verwendet, die von der punktförmigen Beeinflussung / Kontrolle zur ständigen übergeht. Durch Informationsaustausch in beiden Richtungen ist auch die Steuerung des Fahrzeugs möglich.
Auf Eisenbahnstrecken mit technischer Zugsicherung
kommen die Indusi und die LZB zum Einsatz. Die Indusi stimmt in ihrer Grundfunktion
mit der Fahrsperre überein, die technische Realisierung ist vom Prinzip
ähnlich. Neben der Grundfunktion sind aber wegen der höheren
Geschwindigkeiten zwischen den Vor- und Hauptsignalen auch eine Geschwindigkeitsüberwachung
(angehängte Geschwindigkeitsprüfung) integriert. Die Signale
werden an Blockstellen errichtet, die einzelne Gefahrenpunkte, Streckenabschnitte
oder Bahnhöfe abriegeln.
Die LZB kommt auf Neu- und Ausbaustrecken zum Einsatz.
Die Ausrüstung mit Fernmeldeanlagen (in der
Regel Funk) ist zwar weder in BOStrab noch EBO/ESBO für alle Fälle
zwingend vorgeschrieben; jedoch sind Fahrzeuge und Strecken beinahe vollständig
damit ausgestattet.
Die verwendeten Systeme sind aber untereinander
nicht kompatibel.
Die EBO/ESBO schreiben zur Überprüfung der Einsatzfähigkeit des Fahrzeugführers eine SiFa (Sicherheits Fahrschaltung §28(1)) vor, welche ansonsten den Zug zum stehen bringt.
Eisenbahnfahrzeuge sind mit einer durchgehenden Bremse
(§§ 35(1) und 23(1) EBO/ESBO) auszustatten. D.h. bei einer Zugtrennung
werden alle Teile selbsttätig abgebremst. Die zulässigen Bremswege,
die sich aus dem Vor- Hauptsignal Abstand von 1000 m bzw. 700 m ergeben,
bestimmen die maximal zulässige Geschwindigkeit der einzelnen Fahrzeuge
/ Züge. Dazu sind für die einzelnen Fahrzeuge Bremstafeln vorhanden,
die in Abhängigkeit von Gewicht und Bremsart die Berechnung der vorhandenen
Gesamtbremsfähigkeit erlauben.
Eine Ausnahme vom oben erwähnten max. Bremsweg
bilden die LZB geführten Züge.
Bei BOStrab Fahrzeugen wird ebenso eine selbsttätige
Bremsung bei unbeabsichtigter Trennung von Verbänden vorgeschrieben
(§ 36(8) BOStrab). Außerdem sind mindestens zwei voneinander
unabhängige Bremsen nötig (§36(1)). Bei straßenabhängigen
Bahnen muß eine dieser Bremsen vom Kraftschluß Rad/Schiene
unabhängig sein (§36(5)), die andere(n) muß / müssen
mit Sandstreueinrichtungen versehen sein. Die Bremsleistung wird in Anlage
2 BOStrab bzw. den Bremsrichtlinien zur BOStrab Anhang 3 und 4 vorgegeben.
Darin sind die mindestens einzuhaltenden Grenzwerte für Verzögerung
bzw. Bremsweg in Abhängigkeit von der Geschwindigkeit angegeben. Unterschieden
wird in Anlage 2 und Anhang 4 zwischen Tabelle 1, die für den Ausfall
einer Bremse für alle Fahrzeuge gilt und Tabelle 2, die nur für
straßenabhängige Bahnen gilt und für den Gefahrenfall
ausgelegt ist. Diese strengeren Grenzwerte stehen im Zusammenhang mit der
gemeinsamen Nutzung des Verkehrsraums durch Straßenbahnen und Kraftfahrzeuge
und der deswegen nötigen Angleichung der Bremsfähigkeiten. Kfz
müssen gem. §41(4) StvZO eine Mindestverzögerung von 2,5
m/s2 erreichen, erzielen heute aber auch
Werte von ca. 4 m/s2 .
Anhang 3 enthält die Grenzwerte für alleinige
Wirkung der Schienenbremse.
An Warneinrichtungen sind Pfeifen bzw. Klingeln sowie Bremsleuchten und Blinker (Fahrtrichtungsanzeiger) vorgeschrieben.
Die unterschiedlichen Regelungen für Bahnübergänge sind in §11 EBO/ESBO sowie in §20 BOStrab getroffen.
Abbildung
11: Lageplan Köln/Bonn
Quelle: [42]
Es handelt sich hier um zwei NE/RE Strecken nach
EBO, die als Hauptbahnen eingestuft sind, was für NE/RE Strecken relativ
ungewöhnlich ist. [43] Die Rheinuferbahn (früherer
Betreiber war die Köln Bonner Eisenbahn KBE, heute die Kölner
Verkehrsbetriebe KVB.) wurde schon regelspurig und für elektrische
Traktion (1200 V Gleichstrom) gebaut, um einen durchgängigen Betrieb
von Bonn bis Köln Hohenzollernbrücke (Dom/Hauptbahnhof) zu ermöglichen.
Die Vorgebirgsbahn wurde erst 1934 von Meterspur auf Regelspur umgestellt
und elektrifiziert. Der Gemeinschaftsbetrieb der Rheinuferbahn mit der
Kölner Straßenbahn fand auf dem Streckenabschnitt von Hohenzollernbrücke
(Endstation KBE) bis Marienburg (Stadtgrenze, Endstation Straßenbahn)
statt [42]. Das größte Problem, was damals
gelöst werden mußte, waren die unterschiedlichen Spurführungsmaße.
Im Straßenbahnbereich kamen Rillenschienen NP4 bzw. NP4a sowie rillenlose
Schienen R6 und S41 zum Einsatz; die Weichen und Kreuzungen verfügten
ausschließlich über Rillenschienen mit Flachrillen im Herzstückbereich
(auflaufender Spurkranz). Daher waren die Radprofile der KBE anzupassen
[44]. Der Spurkranz mußte, ausgehend von der Radrückenseite,
schmaler gestaltet werden, um in die nur 31mm breiten Rillenschienen zu
passen. Im Netz der KBE mußten die Radlenker der Weichen- und Kreuzungen
höher gesetzt werden, um trotzdem auch dort eine sichere Führung
dieses Profils zu gewährleisten. Probleme gab es bei der Einhaltung
der Mindestmaße gem. EBO hauptsächlich bezüglich der Spurkranzhöhe.
In den Flachrillen der Straßenbahnschienen war der anfänglich
ausgerundet gestaltete Spurkranz einem erheblichen Verschleiß ausgesetzt
und wurde "plattgewalzt". Besserung brachte erst die Abflachung der Spurkranzkuppe
(siehe Abbildung 12).
Als dann an neuen Fahrzeugen kleine Räder
zum Einsatz kamen waren die dafür geltenden Grenzmaße der EBO
im Betrieb nicht einzuhalten, weil die Spurkranzkuppe inzwischen so schmal
und spitz geworden war, daß sie den auftretenden Kräften im
Flachrillenbereich nicht lange standhielten.
Bei der KVB wurden aber dann Rillenschienen vom
Typ 39E (mit 45 mm breiter Rille) eingebaut, sodaß ab 1964 das "normale"
DBII Radprofil (Bundesbahn) von der KBE verwendet werden konnte [45].
Außerdem wurden die Flachrillenweichen zusehends durch Weichen mit
Tiefrillen ersetzt.
Voraussetzung bei den unterschiedlichen Leitkreisabständen
(Radrückenabständen) ist aber ein Verzicht auf die Radrückenführung
durch gewöhnliche Radlenker; die Spurführung im Abschnitt unterbrochener
Fahrkanten wird durch die Innenkante der Rillenschiene gewährleistet,
welche das Rad an der Spurkranzflanke auf der Radrückenseite angreift.
D.h.: Rillenlose Schienen konnten nicht verwendet werden.
Die gemeinsame Benutzung der Straßenbahnschienen
mit einem Kopfausrundungshalbmesser von 10mm von Radprofilen mit 15mm und
12mm Hohlkehlenausrundung hat den Ausrundungsradius der Schienenköpfe
vergrößert. Anscheinend ist dies aber nie zum (Aufkletter-)
Problem für die Straßenbahnfahrzeuge mit ihren niedrigen und
steilen Spurkränzen geworden (Genauere Untersuchungen liegen nicht
vor). Inzwischen werden allerdings generell Schienen (vom Typ S41 U) mit
einem Kopfausrundungshalbmesser von 13mm und entsprechend hohe Spurkränze
verwendet.
Abbildung
12: Entwicklung der Radprofile der Kölner KBE-Triebwagen
Quelle: [44]
Ein weiteres Problem waren die unterschiedlichen Fahrleitungsspannungen von 750 bzw. 1200 V. Anfangs hatten die Triebwagen der KBE Umschaltvorrichtungen, welche sich aber als unzuverlässig erwiesen. Fortan wurde einfach auf den Stadtstrecken mit niedriger Spannung gefahren, "...womit die in der Stadt ohnehin beschränkte Geschwindigkeit sich von selbst einstellte" [42].
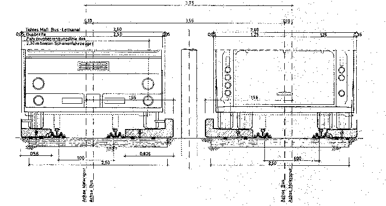
Traditionell waren die Bahnsteige sehr niedrig (20cm über SO). Die Fahrzeuge waren mit Klapptritten oder normalen Stufen ausgestattet. Hochbahnsteige waren schon wegen der geringen Wagenbreiten und des EBO-Lichtraumprofils nicht möglich - außerdem würde dies dem Straßenbahnbetrieb in der Stadt entgegenstehen.
Die Ausgangssituation war also ein EBO-Fahrzeug,
das modifiziert einen Teil der innerstädtischen BOStrab Strecke mitbenutzte.
Durch die Planung von einheitlichen U-Bahnen und
Stadtbahnen für die gesamte Region wurden aber rillenlose Schienen
und Tunnelstrecken nötig, wo die KBE-Fahrzeuge dann nicht mehr verkehren
können. Die Rheinuferbahn (heute Linie 16) sollte über Köln
Zentrum weiter nach Norden und über Bonn Rheinuferbahnhof weiter nach
Bad Godesberg verlängert werden und dort ebenfalls dem Stadtbahnsystem
(welches nach BOStrab arbeitet) entsprechen. Daher beschloß man nun
den umgekehrten Weg zu gehen und dem bereits bewährten Stadtbahnwagen
Typ Köln (Stadtbahnwagen Typ B [46]), für den
das Verkehrsnetz ausgelegt wurde, den Weg über die Systemgrenzen von
BOStrab und EBO zu ebnen. D.h.: (modifizierte) Stadtbahnradsätze verkehren
nun auf der EBO-Strecke.
Wie zuvor im Betriebsfall "Eisenbahnfahrzeug geht
auf Straßenbahn über", als die Straßenbahngleise angepaßt
wurden, mußte nun im umgekehrten Betriebsfall die Strecke der KBE
umgerüstet werden.
Der Gemeinschaftsbetrieb (mit Güterverkehr)
wurde auf den Streckenabschnitt Wesseling-Hersel beschränkt.
Die Radsatzmaße der Stadtbahnwagen (Radreifenbreite,
Radrückenabstand, Spurkranzform) ermöglichten keinen sicheren
Betrieb auf den Eisenbahnweichen. Als Lösung wurden hier Weichenkonstruktionen
mit geschlossener Fahrkante gewählt [47]. Verwendet
werden Weichen mit beweglichen Herzstücken und beweglichen Flügelschienen
[48]. So kann auf Radlenker zur Führung am Radrücken
verzichtet werden und Radsätze mit unterschiedlichen Radrückenabständen
können auf der selben Strecke verkehren.
Die Anlagen der Bahnstromversorgung mußten
ebenfalls umgestaltet werden, da die Fahrzeuge nur mit 750V Gleichstrom
betrieben werden können und eine Vereinheitlichung des Netzes angestrebt
wurde. Es wurden die Oberleitungen (Größerer Fahrdrahtquerschnitt
wegen höheren zu übertragenden Leistungen im Stadtbahnbetrieb)
erneuert und neue Unterwerke für eine Nennspannung von 750 V und Schaltstellen
errichtet [49].
Die Stellwerkstechnik mußte ebenfalls erneuert
werden, wobei Spurplan-Drucktasten-Stellwerke (SpDrS-60) Verwendung fanden.
Die technischen Einrichtungen wurden umfangreich erweitert (z.B. Zugnummernmeldeanlage,
Anlage für Selbststell- und Zuglenkbetrieb, Zugfunk und Fernsprechanlagen).
Im Bereich Köln Süd (zwischen Barbarossaplatz und Marienburg) wurde im Bereich einer höhengleichen Kreuzung mit einem DB-Gleis (Rheinauhafen) vom Fahren auf Sicht abgewichen und eine Zugsicherungsanlage eingerichtet.
Im Rahmen der Stadtbahnplanung wurden –für den
Endausbau- Hochbahnsteige mit 900 mm über SO vorgesehen [50].
Diese lassen sich allerdings auf der Mischbetriebsstrecke aufgrund des
EBO-Lichtraumprofils und der geringen Wagenbreite der Stadtbahnen von 2650
mm nicht verwirklichen. Die Fahrzeuge sind daher mit Klapptrittstufen und
Schiebetritten versehen, welche das Bedienen verschieden hoher Bahnsteige
ermöglichen. (Aufteilung der Stufen: 400/300/300 mm über SO entsprechend
einer Fußbodenhöhe von 1000 mm.) Die Bahnsteighöhen auf
der Mischstrecke betragen 20cm, im Endausbauzustand des Stadtbahnbereichs
900 mm. Im Vorlaufbetrieb mit Straßenbahnen waren 350 mm im Stadtgebiet
vorgesehen.
Aus Sicherheitsgründen (und um das Fahrpersonal
zu entlasten) wurde eine Vorrichtung installiert, die in Abhängigkeit
vom angefahrenen Bahnsteig (hoch / halbhoch / niedrig) die erforderliche
Trittstufenkombination des Fahrzeugs selbsttätig ansteuert.
Abbildung
13: Lichtraum und Bahnsteig
Quelle: [42]
Die RHB fährt bereits seit 1913 durchgehend
von Bad Dürkheim über Ludwigshafen nach Mannheim (Linie 4 im
VRN). Ab Oggersheim (im Westen von Ludwigshafen) handelt es sich um Mischbetrieb
mit Straßenbahnen. Zwischen 1959 und 1965 wurde die RHB grundlegend
ausgebaut bzw. erneuert. Die Fahrdrahtspannung wurde von 1200 V auf 750
V (jeweils Gleichstrom) umgestellt [51]; die innerstädtische
Strecke von 600 V auf ebenfalls 750 V umgestellt. Der Güterverkehr
auf der RHB wurde eingestellt, und so konnten -bis auf etwa 15- alle Weichen
ausgebaut werden. Die Strecke wurde, abgesehen von den Abschnitten Ellerstadt
und Bad Dürkheim (enge Ortsdurchfahrt), zweigleisig ausgebaut. Das
Zugmeldeverfahren wurde durch eine selbsttätige vom Zug gesteuerte
Streckenblockanalge ersetzt. Im BOStrab Verkehr wird auch die IMU der städtischen
Verkehrsbetrieb zur Weichenansteuerung eingesetzt.
Als Fahrzeuge werden vorwiegend 12 (!) achsige Gelenktriebwagen
ET 12 von DUEWAG eingesetzt. Mit seinen 6 Drehgestellen und 5 Wagenteilen
erreicht das Fahrzeug eine Länge von beinahe 40 m. Die Fahrzeugbreite
beträgt 2200 mm; die Höchstgeschwindigkeit liegt bei 75 km/h.
Abbildung14: Auszug der ESBO/BOStrab Strecken im Rhein-Neckar Raum
Die OEG befährt erst seit Anfang 1980 gemeinsam
mit Straßenbahnen die gleiche Strecke. Aufgrund eines Spurführungsgutachtens
konnte ein Radprofil gefunden werden, was heute im gesamten Raum verwendet
wird (Siehe Abbildung 15). Gem. §21 ESBO dürfen auf Strecken
mit reinem Personenverkehr die Fahrzeuge auch andere Radsatzmaße
und Radformen, als in Anlage 5 zur ESBO angegeben, verwenden. Auch die
OEG führt keinen Güterverkehr durch. Derzeit ist eine neue Untersuchung
im Gange, die eine Verschleißoptimierung bewirken soll.
Die Strecke Mannheim Hbf.-MA-Kurpfalzbrücke-Heidelberg-Weinheim-Viernheim-MA
Hbf. und die Gegenrichtung werden als Ringlinie (Linie 5 im VRN) betrieben.
Der Abschnitt Handschuhsheim-Weinheim ist größtenteils eingleisig
mit Kreuzungsbahnhöfen. Die anderen Streckenteile sind zweigleisig.
Abbildung15:
Radprofilvergleich DIN 25112/1, ESBO und OEG
siehe AnhangD.I.1, 4 und 5
Abbildung
16: Radprofilvergleich AVG mit DIN 5573 (DB)
siehe Anhang D.I.3. und D.I.6
Allen gemeinsam ist aber der vom Radrücken abgeschrägte
(geschwächte) Spurkranz, der ein Verkehren in den Rillenschienen der
Straßenbahn ermöglicht. Die Abschrägung und die Radreifenbreite
von 125 mm (gegenüber EBO-"Standard" von 135 mm) macht eine (zusätzliche)
Überhöhung der Radlenker von 10 mm auf der Albtalbahn erforderlich,
um eine ausreichende Überdeckung zur Führung am Radrücken
zu erhalten.
Der Außenbereich der Lauffläche (Kegel)
ist stärker abgeflacht, um im Überstandsbereich Schienenkopf/Rad
nicht auf dem Pflaster aufzulaufen.
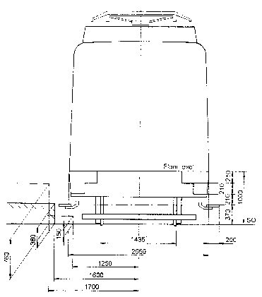
Die Höhe der Bahnsteige wurde (entsprechend dem damaligen "DB-Standard") auf 380 mm über SO angelegt. Damit schwenkt die Trittstufe der derzeit verwendeten Fahrzeuge (GT6/8 80C; in Abbildung 17 ist ein GT8 100C/2S dargestellt, der sich in dieser Hinsicht nur durch die auf beiden Seiten vorhandenen Türen unterscheidet.) etwa auf Höhe der Bahnsteigoberfläche aus und überbrückt höhengleich den Spalt zwischen Fahrzeug und Bahnsteigkante (Bis auf ca. 100 mm). Es bleiben drei Einstiegsstufen mit je 210 mm Höhe.
Abbildung
17:Einstiegsverhältnisse beim GT8-100 C/2S
Quelle: [53]
In Ettlingen ist das in Gleisbildtechnik ausgeführte
Zentralstellwerk mit Fahrdienstleitung eingerichtet worden.
Die Strecke ist mit Streckenselbstblockanlage versehen.
Auf dem Abschnitt Ettlingen-Freibad bis Busenbach ist signalisierter Gleiswechselbetrieb
möglich.
Die Strecke ist südlich von Ettlingen durchgängig
auf V=80 km/h ausgelegt.
Die Stadtbahnfahrzeuge GT6/8 80C (Hersteller: DUEWAG)sind
vom Stadtbahnwagen Typ B (Kölner Bauart) abgeleitet[54]
[55]. Es handelt sich dabei um sechs- oder achtachsige
Einrichtungsgelenktriebwagen mit einer Breite von 2650 mm. Zwei Achtachser
in Doppeltraktion erfüllen gerade noch die Beschränkung der BOStrab
auf 75m Länge für Züge, die am Straßenverkehr teilnehmen
(§55(2)).
Das Karlsruher Streckennetz ist mit einer Induktiven
Weichensteuerung (IWS) ausgestattet [56]. Das System
beinhaltet die Übermittlung der Linienkennung vom Fahrzeug auf "die
Strecke", sowie die Zugbeeinflussung (Indusi, Fahrsperre IMU) seitens "der
Strecke" auf das Fahrzeug. Damit können einerseits die Fahrzeuge im
"Zuglenkbetrieb" (Selbststellbetrieb) auf EBO-Strecken die Fahrstraßen
einstellen (welche auch teilweise die Bahnübergänge miteinschließt
bzw. Bahnübergangssicherungen selbständig auslösen) und
im Stadtgebiet die Grünphasen an LSA (Lichtsignalanlagen) und Fahrtrichtung
an Weichen anfordern; andererseits können Weichen, Signale im EBO-Bereich
und eingleisige Abschnitte im BOStrab Betrieb gesichert werden. ("Bremsmagnet"
mit 50 kHz)
Die Fahrzeuge verfügen weiterhin über
eine Sicherheitsfahrschaltung (SiFa "Totmannsicherung"), Pfeife und Dreilichtspitzensignal
gem. EBO (bzw. ESO).
Die Bremsausrüstung entspricht mit Schienenbremse
§36(1)1. der BOStrab und erfüllt die Werte der Anlage 2 Tabelle
2.
Ferner sind Fahrtrichtungsanzeiger ("Blinker") und
Klingel vorhanden.
Spezielle "Formalitäten" oder Bedienungshandlungen fallen nicht an, wenn die Fahrzeuge von einem Streckenteil auf den anderen übergehen.
Von 1975 an plante man die Erweiterung dieser Linie,
die bisher mit einer Schleife in der Stadt endete, zu einer "Durchmesserlinie"
nach Norden.
Weil die Siedlungsentwicklung in diesem Gebiet nicht
rasch voran ging, und man die Strecke nicht über die "grüne Wiese"
bauen wollte, kam man auf die Idee, eine wenig ausgelastete Güterstrecke
der DB mitzubenutzen. [57]
Die Übereinkunft mit der DB sah vor, daß
die AVG den Oberbau erwirbt, und die DB Eigentümer von Grund und Boden
bleibt, den sie allerdings unentgeltlich zur Verfügung stellt. Dafür
betreibt die AVG die Strecke als NE gem. EBO (Nebenbahn) und sorgt somit
auch für den Unterhalt/Ausbau etc. Die DB hat im Gegenzug das Recht,
ihren Güterverkehr im bisherigen Umfang auf eigene Rechnung zu betreiben.
[58]
Die Strecke wurde daraufhin von der AVG ausgerüstet
und umgebaut, wobei man sich am technischen Standard der Albtalbahn und
den dortigen Erfahrungen orientieren konnte.
Die Elektrifizierung konnte mit 750 V Gleichstrom
durchgeführt werden, da die DB ihren Güterverkehr mit Diesel-Fahrzeugen
durchführt.
Die Bedienung der Signalanlagen erfolgt ebenfalls
von Ettlingen aus.
Die wichtigsten Änderungen auf der Strecke
waren die Erhöhung der Radlenker im Weichenbereich um 10mm und die
Dopplung der Indusi Systeme. Die beiden Systeme sind von den Frequenzen
und der Anordnung der Magnete nicht kompatibel. Die Magnete der Stadt-
und Straßenbahnen liegen aufgrund der Fahrzeugbreiten innerhalb der
Gleise in Fahrtrichtung rechts von der Gleisachse; die DB Magnete liegen
außerhalb der Gleise in Fahrtrichtung rechts davon.
Mit relativ geringen Mitteln konnte so eine durchgehende Nord-Süd-Schienenverbindung (ca. 40 km Länge) mit hohem Verkehrswert eingerichtet werden.
Bereitstellung der Antriebsenergie:
Weil im Karlsruher Stadtbahnnetz mit eine Fahrdrahtspannung
von 750 V Gleichstrom und im DB-Netz entweder mit 15 kV 16 2/3
Hz Wechselstrom oder mit Dieselantrieb gefahren wird, mußte das Problem
der unterschiedlichen Antriebsenergien gelöst werden. Eine Umstellung
der Stadtbahn auf Stromsystem DB scheitert an technischen Problemen wie
Mindestabständen, Spannungshöhe etc. sowie an den enormen Umstellungskosten.
Für den Betrieb außerhalb des Karlsruher
Streckennetzes wurden folgende Varianten untersucht:
Die gewählte Ausführung soll noch etwas
eingehender beschrieben werden:
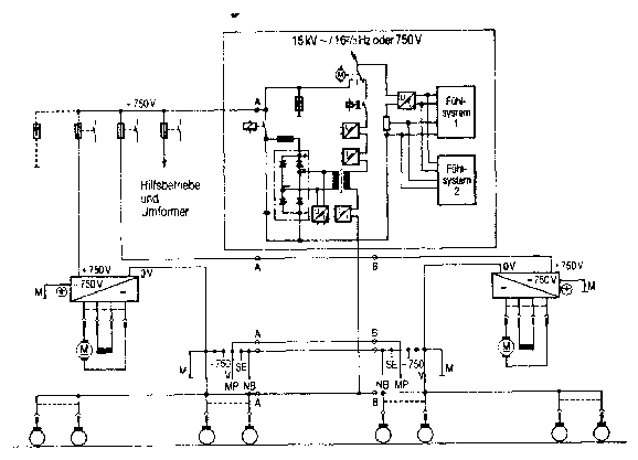
Bei dem Zweisystemfahrzeug handelt es sich um eine
Weiterentwicklung des Karlsruher GT8-80C. Alle 15 kV-Komponenten sind dabei
im Mittelteil der dreiteiligen Einheit untergebracht.
Abbildung
18: Komponentenaufteilung beim Zweisystemfahrzeug
Quelle: [59]
Auf dem Dach befinden sich der eigens konstruierte
Systemschalter (Stellungen des Drei-Wege-Trenners: 15 kV, Neutral (=Aus),
750 V), ein Überspannungsableiter (für den 750 V Teil), ein Spannungswandler
mit Spannungsfühlsystem und der 15 kV Leistungsschalter. Unter dem
Fahrzeugboden sind der Trafo und der Gleichrichter eingebaut [61].
Der Stromabnehmer befindet sich ebenfalls auf dem Mittelteil. Es kommt
ein auch bei der DB verwendeter Typ (8 WL0 284-4Y G80 von Siemens) zum
Einsatz, der für beide Netze geeignet ist. Wegen der hohen Spannung
mußte die Dachbefestigung und Führung der Stromleitungen mittels
entsprechender Isolatoren ausgeführt werden. Die Umrüstung führte
zu einem Mehrgewicht von 5 t.
Abbildung
19: Schaltungsaufbau Zweisystemfahrzeug
Quelle: [61]
Abbildung20:
Geräteanordnung Zweisystemfahrzeug
Quelle: [61]
Der Konstruktion der Systemwechselstelle, wo die
beiden Fahrdrahtspannungen aufeinandertreffen, kommt hinsichtlich der Sicherheit
besondere Bedeutung zu.
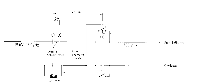
Die beiden Spannungsbereiche werden durch eine ca.
80m lange Schutzstrecke in der Fahrleitung getrennt (Abbildung 21). Diese
besteht aus 2 Bereichen: Die Abtrennung zum 750 V Teil erfolgt mit einem
Trenner, wie er im Straßenbahnbetrieb verwendet wird (‚
). Die Abtrennung zum 15 kV Teil erfolgt mit zwei DB Trennern ("1" im Kreis),
die im Abstand von 2 m angeordnet sind. Der eine Bereich ist bahngeerdet,
der andere als neutrale Schutzstrecke ausgeführt. Der längere
Teil der beiden Bereiche kann in dem Fall, daß hier ein Fahrzeug
im spannungslosen Bereich liegen bleibt, mit 750 V beschaltet werden, wobei
dann nur die Weiterfahrt in Richtung 750 V Netz erlaubt ist [62].
(Schalter I und II sind dann zu schließen)
Abbildung
21: Aufbau der Systemwechselstelle
Quelle: [59]
Das Spannungs-fühlsystem der Fahrzeuge (das
doppelt vorhanden ist) überwacht ständig die vom Stromabnehmer
ankommende Spannung. Wird festgestellt, daß keine Spannung anliegt,
so schaltet der Systemschalter in Stellung "Neutral" und der Leistungsschalter
auf aus. (Ausgenommen davon sind kurze Spannungsunterbrechungen, wie sie
z.B. bei Streckentrennern mit isoliertem Mittelstück auftreten.) Sollte
aufgrund eines Defekts des Systemschalters dieser nicht auf Stellung "Neutral"
drehen, so wird nach drei Sekunden automatisch der Stromabnehmer abgebügelt.
Um den Stromabnehmer wieder anlegen zu können, muß der Systemschalter
sich in "Neutral"-Stellung befinden.
Wenn das Fühlsystem wieder Spannung von 750
V oder 15 kV feststellt, gibt es den Befehl, den Trenner von "Neutral"
in die entsprechende Lage zu drehen.
Die Fahrzeuge durchrollen also die Systemwechselstelle
mit Schwung und sollten deswegen nicht im Bereich von Zwangspunkten (Haltestellen,
Signale etc.) liegen.
Die Länge des stromlosen Abstands soll vermeiden,
daß es bei Doppeltraktion zu Streustromverschleppungen kommt. Ebenso
die Isolierstöße in den Schienen.
Im Bereich der Systemwechselstelle erfolg auch der
Übergang der Fahrdrahthöhenlage von Stadtbahn auf DB-Standard.
Spurführung:
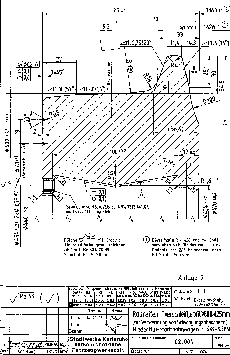
Das Profil der Albtalbahn war Ausgangspunkt der
Überlegungen, wie ein Radprofil für die freizügige Nutzung
des DB-Netzes aussehen muß.
Die normale Strecke stellte wiederum kein Problem
dar; die Aufmerksamkeit galt wieder den Weichen bzw. Kreuzungsweichen und
Kreuzungen (doppelte Herzstücke). Wegen der gewünschten Freizügigkeit
(und Kostenüberlegungen) kam eine Erhöhung der Radlenker (wie
bei der AVG) nicht in Frage. Deswegen wurde zum einen die Radbreite auf
135 mm gebracht (der Außenbereich der Lauffläche ist wiederum
steiler abgeflacht) und zum anderen die Radrückenseite so gestaltet,
daß der erforderliche Leitkreisabstand von 1360 mm bereits 10 mm
über Meßkreisfußpunkt erreicht wird (AVG: 24,5 mm). D.h.
es wird bei einer planmäßigen Radlenkerüberhöhung
von 20 mm eine erforderliche Überdeckung von 10 mm erreicht.
Wegen der Rillentiefe im Straßenbahnnetz war
auch die Höhe des Spurkranzes beschränkt; in Verbindung mit der
steilen Spurkranzflanke war auch das qR Maß nicht ausreichend
groß genug. Durch Anpassungen im Stadtbahnnetz konnte aber bis zur
Betriebsaufnahme des Zweisystem-Verkehrs ein höherer Spurkranz und
eine flachere Flankenneigung verwirklicht werden.
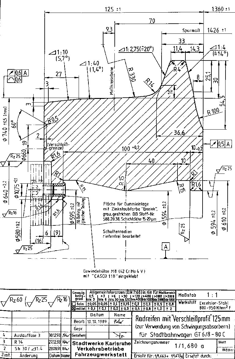
Bis 1992 konnte die Spurkranzhöhe aller Karlsruher Fahrzeuge schrittweise auf 30 bzw.31 mm erhöht werden. Die Umstellung auf einen Ausrundungshalbmesser der Hohlkehle von 14 mm war bis 1994 abgeschlossen.
Die Spurkranzkuppe wurde dadurch zwar sehr schmal,
was jedoch zu keinen Problemen führt, da Rillenaufläufe nur noch
ganz selten vorkommen. Auf der Radrückenseite wurde die Ausrundung
vergrößert, um bei kleiner werdendem Laufkreisdurchmesser keine
Kanten durch die Innenseiten der Rillenschienen zu erhalten.
Mit diesen Anpassungen konnten die geforderten Mindestwerte
eingehalten werden.
Abbildung
22: Radprofilvergleich Mischbetrieb auf DB Strecke mit DIN 5573 (DB)
siehe Anhang D.I.3 und D.I.6
Abbildung
23: Radprofilvergleich aller Karlsruher Fahrzeuge mit DIN 5573
siehe auch Anhang D.I.6
Sicherheitssystem und EMV (Elektro-Magnetische Verträglichkeit):
Vom Standard der AVG ausgehend waren weiterhin folgende
Änderungen nötig:
Die SiFa mußte den DB-Vorschriften angepaßt
werden. Für den Einsatz auf den DB-Strecken wurde eine Indusi nach
dem DB-System eingebaut (Typ I 60 R). Die Fahrzeug-magnete (einer pro Fahrtrichtung)
wurden hinter dem zweiten Drehgestell rechts außerhalb des Gleises
(jeweils in Fahrtrichtung gesehen) angeordnet.
Auch die Funkanlage mußte doppelt ausgeführt
werden, um auf den DB Strecken Sprechkontakt zu den Fahrdienstleitern zu
ermöglichen.
Die Fahrzeuge mußten einer EMV unterzogen
werden, die von der DB (Versuchsanstalt München) durchgeführt
wurden. Die dabei gemessenen Werte lagen im Bereich des Zulässigen.
Schwierigkeiten gab es bei der Beeinflussung der
Achszähler der DB, weil die Schienenbremsen der Stadtbahnwagen sehr
dicht über SO aufgehängt sind. Die Zahl der Achsen konnte nicht
immer korrekt erfaßt werden (Abbildung 24). Bei Verwendung eines
neu entwickelten Typs (Siemens ZP43e) können diese Probleme beseitigt
werden.
Abbildung
24: Aussgangssignal der Achszählers aufgrund tiefhängender Schienenbremse
Quelle:[59]
Situation am Bahnsteig:
Der Einstiegsbereich ist bei den Zweisystemfahrzeugen
der ersten Generation (GT8-100/2S) identisch mit den bisherigen Stadtbahnwagen
der AVG (GT6/8-80C), außer, daß sich bei den Zwei-Richtungs-Wagen
natürlich Türen auf beiden Seiten befinden.
Das Fahrzeug verkehrt aber an unterschiedlich hohen
Bahnsteigen. Bei den bisherigen Maßen "Bordsteinhöhe" im Stadtbereich
und 380 mm hoher Bahnsteig bei der DB sind die Verhältnisse wie oben
beschrieben. Neu sind die Halte an 550 mm und 760 mm (in seltenen Fällen)
hohen Bahnsteigkanten. Beim 550 mm Bahnsteig liegt die unterste Stufe (nicht
Schwenktrittstufe) des Fahrzeugs etwa auf Bahnsteigniveau, allerdings liegt
dazwischen ein Spalt von ca. 460 mm (!). Dieser wird durch die Schwenk-trittstufe
(mit ihrer Breite von 200 mm) nur teilweise geschlossen und zudem liegt
der Tritt 180 mm unter der Bahnsteigkante.
Am 760 mm Bahnsteig (z.B. Karlsruhe Hbf) ist die
Situation noch ungünstiger. Die Spaltbreite ist wie beim 550 mm Bahnsteig,
allerdings liegt die unterste Stufe 180 mm unter Bahnsteigoberfläche.
Die etwa höhengleiche zweite Trittstufe liegt aber 640 mm von der
Bahnsteigkante entfernt. D.h. der Fahrgast wird im Regelfall vom Bahnsteig
auf die unterste Stufe herunter steigen, um dann zwei weitere Stufen aufwärts
zu erklimmen. Der ausgefahrene Schwenktritt liegt ca. 390 mm unter der
Bahnsteigoberfläche.
Eine wesentliche Verbesserung bringen hier die neuen
Mittelflur Fahrzeuge [63].
Die Fußbodenhöhe im Einstiegsbereich
der 4Türen konnte auf 580 mm gesenkt werden, welche über eine
Steigung von 1:8,5 auf 630 mm im Wagen geht. Es entfallen also im Einstiegsbereich
zwei Stufen, wobei dafür im Fahrzeug eine Stufe vom Mittelflur zum
Hochflurbereich an den Enden sowie im Mittelteil (C-Wagen) von 220 mm entsteht.
Der 550 mm Bahnsteig bietet nun optimalen höhengleichen Zugang zum
Fahrzeug. Am bisher sehr kritischen 760 mm Bahnsteig steigt man eine Stufe
nach unten, wobei aber Wagenboden und Schiebetritt ein Niveau bilden.
Für die "Bordsteinbahnsteige" und die 380 mm
hohen Bahnsteige werden durch den Wegfall von 2 Stufen kürzere Fahrgastwechselzeiten
zu erwarten sein [64].
Abbildung
25: Kinematik Trittstufe / Bahnsteig
Quelle: [65]
Zulassung /Strukturfestigkeit:
Weil die Stadtbahnwagen vom Typ "Karlsruhe" nur
über eine Rahmensteifigkeit von 600 kN verfügen und damit nicht
den Anforderungen für DB-Strecken entsprechen, wurde der Betrieb anfangs
mit einer regional begrenzten Betriebszulassung durchgeführt, bis
das LNT-Gutachten fertiggestellt war und die Bedingungen für das Verkehren
mit gleicher Sicherheit (§2(2) EBO) definiert wurden.
Die erste Betriebsstufe Karlsruhe-Bretten wurde im
September 1992 auf einem Teil der Strecke Karlsruhe-Heilbronn (Kraichgaubahn,
Kursbuchstrecke 712) eröffnet.
Es handelt sich dabei um eine eingleisige Hauptbahn.
Der Streckenabschnitt Grötzingen-Bretten mußte dafür elektrifiziert
werden [66].
Mittlerweile wurde diese Linie (S4) , die bislang
am Albtalbahnhof endete, über Rastatt bis nach Baden-Baden verlängert.
Am Albtalbahnhof wurde dazu eine neue Systemwechselstelle zum Netz der
DB AG errichtet. Am anderen Ende wurde die DB Strecke von der bisherigen
Stadtbahn Endstation Bretten-Gölshausen bis nach Eppingen weiter elektrifiziert,
bis wohin nun durchgehend gefahren werden kann.
Die zweite Mischbetriebslinie (S5) wurde nach einem
zuerst "halbseitigem" Betrieb im Jahre 1997 komplett fertiggestellt. Wie
bei der S4 handelt es sich um eine Durchmesserlinie (Ost-West), die im
Außenbereich auf zwei DB AG Strecken verläuft und in der City
die Ost-Westachse von Karlsruhe –einschließlich der Fußgängerzone-
befährt. Die Linie reicht im Osten bis nach Pforzheim, im Westen bis
nach Wörth auf der anderen Rheinseite.
Abbildung
26: Lageplan Mischgebietsstrecke Baunatal
Quelle: [67]
Die gemeinsam befahrene Strecke ist bis auf den Bahnhof
Baunatal Stadtmitte eingleisig. Die Schnittstellen befinden sich 200 m
hinter der Haltestelle Porschstr. In Richtung Großenritte und im
Bahnhofsbereich Großenritte, wo die Straßenbahn eine Wendeschleife
und Abstellgleise hat.
Die besondere Schwierigkeit in Kassel war die Anpassung
der Einstiegsverhältnisse, um die Straßenbahn im EBO Bereich
einsetzen zu könne. In Kassel wurde schon 1989 damit begonnen Niederflurfahrzeuge
mit den entsprechenden Bahnsteighöhen einzuführen. Aber erst
die Kombination dieser Einstiegshöhe mit der Breite der Fahrzeuge
führte –wie sich im Nachhinein herausstellte- beim Mischbetrieb zu
einer Reihe von Problemen [68]. Des weiteren sind die
–aufgrund der Niederflurbauweise erforderlichen- kleinen Raddurchmesser
im EBO Betrieb (aber u.U. auch im BOStrab Bereich) besonderen Bedingungen
unterworfen.
Abbildung27:
Radprofilvergleich KVG mit DIN 5573
siehe Anhang D.I.3 und D.I.7
Die in Kassel verwendeten Straßenbahnen haben eine Fußbodeneinstiegshöhe von 290 mm und eine Fahrzeugbreite von 2300 mm (im hier interessierenden Bereich). Die Achsabstände der Gleise von 3000 mm und die Straßenbahnhaltestellen mit einer Höhe von 200 mm (über SO) sind darauf abgestimmt und mußten für die Planung des Mischbetriebs als gegeben und nicht kurzfristig änderbar akzeptiert werden. Im EBO Bereich liegt somit die höchstmögliche, bis zum Fahrzeug durchgehende Bahnsteigfläche, bei 115 mm über SO. Die Begrenzung auf 115 mm ergibt sich aus Anlage 1 Bild 2b zur EBO. Selbst diese Höhe ist nur mit Ausnahmegenehmigung von §13(1) EBO zulässig. (Ein 200 mm hoher Bahnsteig würde zusätzlich zum Höhenunterschied von ca. 80 mm zu einem Spalt von ca. 225 mm führen. Ein Bahnsteig mit 260 mm Höhe zu einem Spalt von ca. 300 mm.)
Abbildung
28: Tram im EBO Regellichtraum
Quelle: [69]
Aus dem Querschnitt des Bahnsteigs wird sofort erkennbar, daß durchfahrende EBO Fahrzeuge den Bahnsteig überstreichen (Grenzlinie G2 nach Anlage 8). Die Aufsichtsbehörde forderte deshalb auch eine Reihe spezieller Maßnahmen zum Schutz von Personen [70]:
Eine andere Lösung wurde für die Station
Baunatal Stadtmitte gefunden:
Das von der Stadtbahn benutzte Gleis wird im Bahnhofbereich
zum Bahnsteig verschwenkt. Dazu befinden sich vor und hinter dem Bahnsteig
Weiche, die so gesichert sind, daß nur die Stadtbahn aus dem Stammgleis
in die Gleisverschlingung einfahren kann. Im Bereich des Bahnsteiges ist
also ein Vier-Schienen-Gleis verlegt. Der Regellichtraum kann so eingehalten
werden; der Spalt zwischen Fahrzeug und 200 mm hohem Bahnsteig ist nur
80 mm breit. Die Gleisachsen sind um 495 mm versetzt.
Abbildung
29: Gleisverschlingung im Bahnsteigsbereich
Quelle: [69]
Auch am Endbahnhof der Straßenbahnstrecke in Großenritte konnte ein 200 mm hoher Bahnsteig mit geringem Abstand zum Fahrzeug gebaut werden, weil hier von der EBO-Stammstrecke abgezweigt wird und nur die Straßenbahn-Einrichtungsfahrzeuge den Bahnsteig und die Wendeschleife ausschließlich nutzen.
Das Straßenbahnfahrzeug [71] mußte für EBO Betrieb mit Indusi und SiFa ausgestattet werden. Die Stellwerktechnik ist in Relaistechnik von Siemens ausgeführt, die aber von den Straßenbahnen im Selbststellbetrieb angesteuert werden kann. Die KNO Fahrzeuge müssen manuell bedient werden.
Die Bahnübergänge wurden alle technisch gesichert (NE BUE 90 E).
Weil die KNE nur Dieselfahrzeuge im Einsatz hat, war eine Elektrifizierung mit 600 V Gleichstrom möglich.
Der zweite Schritt in Kassel wird der Zweisystem Betrieb auf der Lossetal-Bahn vom Osten Kassels bis nach Hessisch Lichtenau mit ca. 18 km Länge sein, der bis Ende 1999 in Betrieb gehen soll. Es handelt sich um eine eingleisige Strecke, die im Besitz der DB AG ist, und die auf einem Teil der Gesamtstrecke Kassel-Eschwege ausschließlich Güterverkehr betreibt. Es handelt sich dabei um den Abschnitt Kassel-Wilhelmshöhe bis Walburg. Der Rest der Strecke ist stillgelegt.
Abbildung
30: Lageplan Lossetalbahn
Quelle: [72]
Die KVG (bzw. die RBK als deren Infrastrukturunternehmen im EBO Bereich) verlangt von der DB AG aufgrund §26 des Gesetzes zur Zusammenführung und Neugliederung der Bundeseisenbahnen die Übertragung der Liegenschaften, um den öffentlichen Personennahverkehr zu reaktivieren. Die Verhandlungen gestalten sich schwierig und laufen seit ca. 3 Jahren.
Wegen der Länge der eingleisigen Strecke und des größeren Anteils des Güterverkehrs ist hier die Verwendung von Vorbahnsteigen nicht möglich, weil die Güterzüge dann in diesem Bereich immer auf 20 km/h abbremsen müßten. Ein Taktfahrplan des Nahverkehrs wäre dann nicht möglich. Für die Haltepunkte direkt an der Strecke entschied man sich deswegen für die Lösung (ähnlich Baunatal Stadtmitte), die Straßenbahnen an einem eigenen 200 mm hohen Bahnsteig auszufädeln. Für die Straßenbahn sind hier auch Zugkreuzungen möglich; für die "normalen" Eisenbahn-Fahrzeuge besteht nur eine Kreuzungsmöglichkeit in Fürstenhagen.
Abbildung
31: Bahnsteige für Mischbetrieb
Quelle: [72]
Nur sechs der insgesamt 18 neuen Haltestellen werden
so gebaut, nämlich die Haltepunkte im Bereich der "freien" Strecke.
Die übrigen liegen außerhalb des EBO Bereichs in separaten Ortsdurchfahrten
oder im erweiterten Bereich bestehender Bahnhöfe. Dort verkehren ausschließlich
die Straßenbahnen.
Abbildung
32: Bahnsteigplan Lossetal
Quelle: [72]
Ansonsten entsprechen die technischen Rahmenbedingungen jenen bei der Strecke nach Baunatal. Die Geschwindigkeit der Fahrzeuge und der Strecke ist auf 80 km/h beschränkt; die Elektrifzierung erfolgt mit 600 V Gleichstrom. Der Betrieb erfolgt im Selbststellbetrieb.
Längerfristig plant die KVG den Einsatz von 2650 mm breiten Fahrzeugen, wobei aber die bisherige Einstiegshöhe von 290 mm sicher nicht gehalten werden kann [72].
Die Errichtung des Saarbrückener Systems soll
in mehreren Ausbauschritten verwirklicht werden. Der jetzt in Betrieb befindliche
Teil Saarbrücken-Sarreguemins (Saargemünd in Frankreich) ist
der südliche Teil einer Nord-Süd Durchmesserlinie. Prinzipiell
entspricht es dem Karlsruher Mischbetrieb (also Betrieb nach EBO und BOStrab);
dennoch sind einige Unterschiede zu verzeichnen:
In der Wahl des Radprofils war man ungebunden und
entschloß sich naheliegender Weise für das Profil C (EBO-Profil).
Besondere Überlegungen zum Verkehren auf DB-Strecken waren daher aus
spurfürungstechnischer Sicht erst gar nicht anzustellen. Im BOStrab
Bereich ist die Stadtbahn ausschließlich auf besonderem Bahnkörper
trassiert. Dieser ist gegenüber den benachbarten Verkehrsflächen
(Fahrbahn, Fußweg...) um 8 cm erhöht und geschlossen ausgeführt
(Einpflasterung). In Ausnahmefällen kann er also über- und befahren
werden. Wegen des besonderen Bahnköpers ist es hier auch problemlos
möglich eine Rillenschiene mit breiter Rillenweite von 60 mm zu verwenden
(Phoenix 37a). Für das EBO-Profil mit seinem breiten Spurkranz ist
dies –auch in Kurven- ausreichend breit. Für die Trassierung der BOStrab
Strecke wurde zunächst von den Fahrzeugmaßen des Stadtbahnwagens
"Typ B" ausgegangen. Der Gleismittenabstand beträgt 3050 mm, bei Mittelmasten
für die Fahrleitung 3500 mm.
Die zweigleisige EBO-Strecke (Kursbuchnummer 684)
führt über die deutsch-französische Grenze nach Saargemünd.
Der französische Bahnhof liegt ca. 1 km hinter der Grenze, wobei dieser
Abschnitt nur eingleisig ist. Das deutsche Stromsystem reicht bis dorthin,
wobei nur Gleis 1 über eine Fahrleitung verfügt. Der weitere
Verlauf der Strecke (auf französicher Seite) ist nicht elektrifiziert.
Der Betrieb auf diesem 1 km wird mit einer besonderen Genehmigung [74]
der SNCF durchgeführt. Die Systemwechselstelle liegt zischen der Haltestelle
Hallberg/Römerkastell und dem Bahnhof Brebach auf der Verbindungsrampe
zu den DB-Gleisen. Das Umschalten geschieht innerhalb des 80 m langen spannungslosen
(und bahngeerdeten) Abschnitts automatisch.
Die Fahrzeug sind wieder mit doppelten Systemen
ausgerüstet. Für EBO-Betrieb auf der DB-Strecke mit Indusi, Sifa
und Zugbahnfunk. Im BOStrab Betrieb wird auf Sicht gefahren. Die Weichenstellungen
werden über ZUB-Datentelegramme (Zugbeeinflussung) gesteuert. Die
Anforderungen für LSA-Phasen erfolgt vom RBL (Rechnergestüztes
Betriebsleitsystem), das ein Ortungssystem beinhaltet, per Funktelegramm.
Der Funkverkehr wird mit einem vom Zugbahnfunk unabhängigen Gerät
abgewickelt. [75].
Die Fahrzeuge für die Stadtbahn Saarbrücken
wurden von Bombardier Eurorail entwickelt und gebaut. Sie sind auf Grundlage
des für Köln gebauten K4000 entwickelt worden. Sie besitzen eine
Zulassung für EBO-Strecken gemäß den LNT Richtlinien. Die
Rahmensteifigkeit der Fahrzeuge ist max. 600 kN; sie sind so freizügig
im DB-Netz einsetzbar. Die Zuglänge bei Doppeltraktion beträgt
74,94 m und nützt die zulässige Länge der BOStrab von 75
m optimal aus. Die Abstimmung der Fußbodenhöhe im Einstiegsbereich
mit der Höhe der Bahnsteige kann man als besonders gelungen bezeichnen.
Die Fußbodenhöhe (über SO) beträgt 400 mm; die Höhe
der Bahnsteige im BOStrab Bereich liegt bei 350 mm. Der Spalt zwischen
Bahnsteigkante und Fahrzeug ist minimal. Die Bahnsteige sind vom angrenzenden
Niveau der Verkehrsflächen über Rampen mit einer max. Steigung
von 6 % zu erreichen. Im EBO-Bereich haben die Bahnsteige eine Höhe
von 380 mm. Allerdings ist der Abstand Fahrzeug-Bahnsteigkante aufgrund
der Fahrzeugbreite von 2650 mm und den EBO-Lichtraumbestimmungen ca. 275
mm breit. Daher kommt hier eine schwenkbare Trittstufe zum Einsatz, die
mit einer Breite von 200 mm den Spalt auf 75 mm reduziert. Die Ansteuerung
wird vom Fahrer entsprechend des Bahnsteigtyps voreingestellt [76].
Derzeit wird vom saarländischen Ministerium
für Umwelt, Energie und Verkehr die Entwicklung eines Drei-System-Fahrzeugs
angeregt, welches auch mit Spannungen von 25 kV 50 Hz Wechselstrom oder
mit Hybridantrieb (Diesel- oder gaselektrisch) betrieben werden kann. Im
Rahmen des THERMIE-Programms der EU soll dazu ein Forschungs- und Entwicklungsvorhaben
gestartet werden. Für den Einsatz in Frankreich und in Luxemburg würden
sich dann neue Einsatzmöglichkeiten ergeben [77].
Zwei Varianten sollten untersucht werden: Gleichstrom-/Wechselstrom Fahrzeug und Gleichstrom-/Diesel Fahrzeug
Das Gleichstrom-/Wechselstrom Fahrzeug wurde von
ABB Henschel konzipiert, aber dann nicht gebaut. Der Aufbau ist dem von
ABB für Karlsruhe entwickelten sehr ähnlich. Die Baureihe ET
480 wurde als Konstruktionsgrundlage verwendet. Ein Halbzug (Vier-Wagen-Zug)
stellt die kleinste betriebsfähige Einheit dar; sie besteht aus zwei
Kopfwagen und dazwischen zwei Mittelwagen. Bei der Baureihe 480 dagegen
bildet sich der Viertelzug aus zwei Kopfwagen dem so genannten Doppelltriebwagen.
Ein Mittelwagen ist auf dem Dach mit Stromabnehmer, Überspannungsschutz,
Systemwahleinrichtung und Leistungsschalter ausgerüstet. Die maximal
zulässige Fahrzeughöhe von 3600 mm, die durch den niedrigen Nord-Süd
Tunnel bedingt ist, erfordert allerdings eine sehr niedrige Konstruktion
des abgezogenen Stromabnehmers und einen teilweisen Einbau im Fahrzeugdach.
Die üblichen Fahrdrahthöhen von 4950 bis 6700 mm stehen dieser
Konstruktion aber nahezu unvereinbar gegenüber. Im Unterflurbreich
befindet sich der Transformator und der Gleichrichter. Der umgerüstete
Mittelwagen selbst ist antriebslos. Die Gleichstrom-/Wechselstrom S-Bahn
verfügt also gegenüber dem normalen ET 480 über 75 % Motorisierung.
Dies ist deshalb wichtig, weil das Fahrzeug sowohl im S-Bahn Verkehr als
auch im Fern-/Regional Verkehr die Anforderungen hinsichtlich Beschleunigung
und Höchstgeschwindigkeit erfüllen, also Fahrplankomatibel
sein muß. Die Höchstgeschwindigkeit beträgt 100 km/h.
Für die Bedienung von 760 mm hohen Bahnsteigen
ist der Einbau von Hubtrittstufen vorgesehen; allerdings können die
Türen über den Drehgestellen nicht damit ausgestattet werden.
D.h. bei den Kopfwagen ist von den drei Türen jeder Seite nur eine
mit Hubtrittstufen versehen.
Die Variante Gleichstrom-/Diesel wurde von AEG Schienenfahrzeuge entwickelt. Zwei Viertel-Züge (Bestehend aus Beiwagen und Kopfwagen) der Baureihe 485 wurden dazu umgebaut (Neue Bezeichnung: 485 D) [80]. Der Beiwagen wurde mit einem Unterflur Dieselmotor zwischen den Drehgestellen versehen, an den ein Generator angeflanscht ist. Nach der Gleichrichtung wird die Leistung in die 750 V Sammelleitung des Zuges eingespeist. Die Stromabnehmer sind im Dieselbetrieb spannungsfrei geschaltet. Die Umschaltung von Stromschienen- auf Dieselantrieb erfolgt im Grenzbahnhof, nachdem der Motor bereits zuvor auf freier Strecke gestartet wurde, ohne längere Aufenthaltszeit als sonst; der Fahrer braucht dazu den Führerstand nicht zu verlassen. Im umgekehrten Fall wird der Motor einfach abgeschaltet und die Stromabnehmer werden ausgeklappt.
Abbildung
33: Schaltungsaufbau 485D
Quelle: [79]
Bei dieser Variante ist für die Bedienung von
760 mm hohen Bahnsteigen die Ausrüstung mit Klapptritten vorgesehen.
Die Tritte sind beleuchtet und werden im Fall, daß vor dem Anfahren
keine Türschließung erfolgte, bei 5 km/h angeklappt, dabei werden
die Türen geschlossen.
Die Ausrüstung wurde durch ein drittes Spitzenlicht
und eine punktförmige Zugbeeinflussungseinrichtung PZ80 erweitert.
Die gesamten Zusatzeinbauten führen zu einem
Mehrgewicht von knapp 5 t.
Abbildung
34: Fahrschaulinie im Vergleich 485/485D
Quelle: [79]
Die gesetzlichen Grundlagen ergeben sich aus dem
PbefG, StVO und StVZO. Die Bestimmungen der BOStrab finden keine Anwendung.
Es wurde eingehender untersucht, ob es sich evtl. um eine "Straßenbahn"
oder eine "Bahn besonderer Bauart" handelt und demzufolge der Betrieb gem.
BOStrab zu führen ist. Unter Einschaltung des BMV wurde festgehalten,
daß der Spurbus auch auf gemeinsam genutzten Strecken nach BOStrab
seinen rechtlichen Status als Omnibus behält. Allerdings muß
die Sicherheit des Straßenbahnbetriebs immer gewährleistet sein
[81].
§58(3) der BOStrab gestattet die Mitbenutzung
besonderer oder unabhängiger Bahnkörper durch Busse des Linienverkehrs.
Die Idee des Projekts war, den Bus im Kernbereich der Städte aus dem dichten Verkehr, wo aus Platzgründen keine Einrichtung von Busspuren möglich ist, herauszunehmen und auf vorhandenen Stadtbahntrassen mit freien Kapazitäten zu führen. Im Außenbereich kann der Bus dann entsprechend der örtlichen Gegebenheiten in einer Kombination von Betriebsmöglichkeiten sehr flexibel gefahren werden [82]. Ein weiterer Grund für die Entwicklung des Systems waren die Überlegungen in den siebziger Jahren, den Straßenbahnbetrieb einzustellen und den gesamten Verkehr mit Bussen abzuwickeln. Das Mischsystem war also auch als Übergangsstufe zum reinen Busbetrieb geplant.
Folgende Betriebszustände existieren :
Für den Betrieb wurden folgende Komponenten entwickelt und erprobt:
Bei Richtberg besteht der Fahrweg aus Holzbalken.
Die Stahlleitkanten werden an der Unterseite der Holzbalken zwischen den
Schwellen befestigt und über Winkel seitlich hochgeführt.
Abbildung
36: Kombinierter Fahrweg Strab/Bus Bauart Richter
Quelle: [82]
Die Straßenbahn-Fahrzeuge in Essen haben eine
Breite von 2300 mm und verwenden Meterspur. Um eine gemeinsame Fahrzeugkante
an Haltestellen zu bekommen müssen deswegen die Achsen (Gleisachse/Busspurachse)
gegeneinander verschoben werden. Die Verschiebung der Busachse gegenüber
der Strab-Achse beträgt 100 mm in Richtung des benachbarten Gleises.
Das stellte aber kein Problem dar, weil die Tunnel einschließlich
Gleiskörper schon für breitere Stadtbahnen (Achsabstand der Gleise
3550 mm) ausgelegt sind und die Meterspur (Achsabstand 3750 mm) asymmetrisch
auf den Schwellen verlegt ist.
Die inneren der hinteren Zwillingsräder der
rechten Seite (in Fahrtrichtung gesehen) fahren sowohl auf dem Schienenkopf
als auch auf der Busspurlauffläche.
Die Ausführung der Fahrbahn für den reinen
Spurbusbetrieb gestaltet sich einfacher: Es werden für beide Seiten
Stahlbetonfertigteile verwendet, die mit ihrem Winkelprofil sowohl Lauffläche
als auch Führungsschiene bilden (Hersteller: Züblin). Der Raum
dazwischen wird begrünt. Die vier Elemente einer zweispurigen Strecke
liegen auf gemeinsamen Querträgern, die ebenfalls Stahlbetonfertigteile
sind. Die Querträger ruhen auf je zwei Bohrpfählen.
Derzeit ist der Mischbetrieb mit Straßenbahnen
auf den Tunnelstrecken eingestellt. Die Oberbauform, die auf dem vorhandenen
Straßenbahnoberbau aufsetzte, hat sich als ungeeignet erwiesen. Im
Langzeitbetrieb wurde der Fahrweg zu "weich". Die Schwellen senkten sich
unter der Last der Busse um bis zu drei mm ab. In Verbindung mit der Federung
der Busse führte dies zu Querkräften an den Stromabnehmern, sodaß
häufige Absprünge vom Fahrdraht die Folge waren. Ein störungsfreier
Betrieb konnte damit nicht mehr gefahren werden.
Die Oberbauform der festen Fahrbahn / schotterloser
Oberbau wäre in diesem Fall die Voraussetzung für eine Wiederaufnahme
des Betriebs, was allerdings momentan an den nicht vorhandenen Mitteln
und Umstellungsproblemen unter Straßenbahnbetrieb scheitert.
In Zwickau liegt der Hauptbahnhof der DB AG ca. 1 km vom Stadtzentrum entfernt. Der Hbf wird zwar von einer Straßenbahnlinie angefahren, man verspricht sich allerdings durch eine umsteigefreie Verbindung eine erhöhte Attraktivität.
Hier liegt also wieder ein Mischbetrieb zwischen
EBO und BOStrab vor, allerdings mit anderen Vorzeichen, weil das übergehende
Fahrzeug eine EBO-Erlaubnis [84] besitzt und für
BOStrab zuzulassen war.
Das in Zwickau vorhandene Metersystem ist natürlich
mit der Regelspur unvereinbar. Man entschied sich deswegen für die
Verwendugn eines Dreischienengleises. Aber auch dieses Dreischienengleis
muß noch besonders ausgebildet sein: Wegen der breiten EBO Spurkränze
muß die Rillenweite der Schienen verbreitert werden. Im geschlossenen
Gleisbereich finden daher bei R<500 m Phoenix 37a und bei R>500 RI 59
N Verwendung. In Bereichen, wo ausschließlich die Straßenbahn
verkehrt, kommen dagegen Ri 60 Schienen zum Einsatz. Aufgrund der unterschiedlichen
Radprofile (Maßsystem A gegenüber Maßsystem C) und der
damit verbundenen unterschiedlichen erforderlichen Rillenweite am Radlenker
bzw. Herzstück ist auch die Verwendung von "regulären" (soweit
man bei Dreischienenweichen überhaupt noch von regulär sprechen
kann) Weichen nicht möglich. Es kommen Weichensonderkonstruktionen
mit beweglichen Herzstücken zum Einsatz, weshalb aufgrund der geschlossenen
Fahrkanten keine Radrückenführung mehr nötig ist.
Als nächstes ist das Problem der verschiedenen
Fahrzeugabmessungen zu klären. Der Regiosprinter darf mit einer Breite
von 2970 mm nicht als straßenabhängige Bahn verkehren, weil
dafür eine Breitenbeschränkung auf 2650 mm besteht (BOStrab §34(3)).
D.h. die Regiosprinter können nur auf besonderen Bahnkörpern
verkehren, da sie dann nicht am Straßenverkehr teilnehmen (§55(3)
BOStrab). Außerdem müssen die Kreuzungen mit Straßen,
Wegen, Plätzen gem. §20(7) BOStrab als Bahnübergänge
ausgebaut sein (Andreaskreuze, technische Sicherung), da ansonsten wieder
eine Teilnahme am Straßenverkehr vorliegt.
Die zweigleisige Strecke wird mit einem Achsabstand
(Regelspur) von 3470 mm verlegt (2x250 mm Sicherheitsraum) [85].
Die Achsen der Straßenbahngleise sind dagegen um 2175 mm nach außen
(also in Fahrtrichtung gesehen nach rechts) versetzt. Es ergibt sich demzufolge
ein Überstand des Regiosprinters gegenüber der Straßenbahn
(Breite 2200 bis 2300 mm) von 117,5 mm auf der Außenseite des Bahnkörpers.
Dies wird natürlich am Bahnsteig zum Problem, weil so die Bahnsteigoberfläche
um etwa 70 mm überstrichen wird, zumal der Regiosprinter an Straßenbahnsteigen
wegen der verschiedenen Einstiegshöhen nicht halten kann und ohne
Halt passiert. Die Aufsichtsbehörde hat daher die Abmarkierung der
Bahnsteigkanten und Fahrgastinformationen angeordnet und diese Lösung
als Kompromiß zugelassen. Die Geschwindigkeit für das Durchfahren
ohne Halt am Bahnsteig ist nach §50(4) BOStrab auf 40 km/h begrenzt.
Die schon erwähnten unterschiedlichen Einstiegshöhen der Fahrzeuge
von 530 mm und 300 mm erfordern getrennte Bahnsteige. Der Regiosprinter
hat nach Zwickau Hbf nur 2 Haltestellen. Einen Halt an der "Wende Schedewitz",
dem Beginn des Dreischienengleises, und die Endstation im Zentrum, die
als seitlich zur weiterführenden Straßenbahnstrecke gelegenes
Stumpfgleis gebaut wird.
Abbildung
37: Streckenführung Zwickau
Quelle: [85]
Die Streckenlänge vom Bahnhof Zwickau bis zur Station Zentrum beträgt etwa 3 km, wovon ca. 1100 m aus Dreischienengleis bestehen.
Der gemeinsame Streckenabschnitt muß für die höheren Achslasten des Regiosprinters von 17,2 t gegenüber 10 t ausgerichtet werden.
Die Anforderungen der BOStrab an die Bremsverzögerungen der Fahrzeuge sind wegen der möglichen Teilnahme am Straßenverkehr höher als die der EBO. Zwar erfüllt der Regiosprinter die für Gefahrbremsung in Anlage 2 Tabelle 2 (gem. §36(5)3.) BOStrab (identisch mit BOStrab-Bremsrichtlinien Anhang 4 Tabelle 2) vorgeschriebenen Werte, jedoch müssen gem. §36(3) die übrigen Bremsen bei Ausfall einer Bremse mindestens die Werte der Anlage 2 Tabelle 1 (=BOStrab Bremsrichtlinien Anhang 4 Tabelle 1) erreichen. Dies ist beim Regiosprinter nur bis V=40 km/h der Fall, weshalb seine Höchstgeschwindigkeit im gesamten BOStrab Bereich auf diesen Wert beschränkt werden mußte.
Die Ausrüstung für Weichensteuerung und
LSA Beeinflussung der Straßenbahnen wird auch im Regiosprinter integriert,
damit dieser am gewöhnlichen BOStrab Fahrbetrieb teilnehmen kann.
Die Weichensteuerung erfolgt mit einer Vetag-Frequenzsteuerung, die LSA
Phasen werden per Funkdatentelegramm angefordert.
Hinter der Wende Schedewitz wird die Strecke bis
zur Anschlußweiche des Streckengleises der DB AG eingleisig. Die
Anschlußweiche befindet sich kurz vor dem Hbf Zwickau auf der Strecke
Aue-Zwickau und stellt die Grenze zwischen EBO und BOStrab dar. Wegen des
direkten Übergangs zum DB-Netz und der Eingleisigkeit muß hier
eine Zugsicherungsanlage zum Einsatz kommen. Diese arbeitet im Selbststellbetrieb,
wobei dieser durch Annäherungskontakte ausgelöst wird. Die Ein-
und Ausfahrsignale in Schedewitz Richtung Hauptbahnhof (Beginn der Zugsicherungsanlage)
sind mit Signalbildern gem. BOStrab Anlage 4 ausgeführt, obwohl es
sich um eine EBO Sicherungsanlage handelt. Die Signale sind mit einer punktförmigen
Zugbeinflussung versehen.
Auf dem Südast der S4 wird derzeit wieder –nach
einem politischen Wechsel in Baden-Baden- intensiv diskutiert, die Stadtbahn
vom Bahnhof Baden-Baden (der im Vorort Oos 5 km vom Zentrum entfernt liegt)
als Sraßenbahn in die Innenstadt zu führen.
Die Gesamtlänge der S4 könnte damit in
einigen Jahren bis auf eine Länge von 130 km anwachsen, die sich dann
abwechselnd aus drei BOStrab- und drei EBO-Abschnitten zusammensetzen würde.
Weitere Stadtbahnüberlegungen liegen u.a. für Rastatt, Rastatt-Ettlingen, Rastatt-Murgtal, eine Verlängerung der S5 über Wörth hinaus sowie eine Verbindung von Wörth nach Lauterbourg (Frankreich) vor (siehe dazu [87]).
Grundsätzlich wurde eine technische und betriebliche
Realisierbarkeit für beide Lösungen festgestellt.
Allerdings schneiden beide Lösungen in der
anschließenden Kosten-Nutzen Analyse mäßig bis schlecht
ab. Der Nutzen der Maßnahmen wurde dabei durch Quantifizierung von
Zeitvorteilen, Bequemlichkeit und geschätztem Fahrgastzuwachs in Geldeinheiten
bewertet. Unter betriebswirtschaftlicher Sicht fällt der Nutzen der
Maßnahmen geringer aus, weil ja nur der Fahrgastzuwachs zusätzliche
Erträge einbringt.
Besonders die Lösung b) erfordert durch die
Elektrifizierung und die zusätzlich nötigen S-Bahn Fahrzeuge
enorme Kosten. Aber auch Lösung a) hat aufgrund der Kosten kaum Aussichten,
verwirklicht zu werden. Auch hier wären wegen der Durchbindung und
den dadurch längeren Umlaufzeiten neue Fahrzeuge anzuschaffen.
Aus diesen Gründen wird das Vorhaben derzeit vom HVV nicht weiter verfolgt.
Für die vorhandenen Fahrzeuge ist eine Stromversorgung außerhalb des Tunnels über einen zusätzlichen Dachstromabnehmer momentan wohl die beste, wenngleich nicht wirtschaftlichste Lösung. Der Betrieb über Stromschiene auch im Außenbereich wirft Probleme hinsichtlich des Berührungsschutzes auf. Die Einbaumöglichkeit in die bestehenden Fahrzeuge wurde nachgewiesen. Der Stromabnehmer muß allerdings wegen der geringen Höhe im Tunnel im Dach der Fahrzeuge versenkt werden. Die in diesem Bereich verbleibende Raumhöhe beträgt aber immerhin noch 2000 mm. Die nicht elektrifizierte DB-Strecke müßte dementsprechend mit einer Oberleitung in der Betriebsform 750 V Gleichstrom (gem. U-Bahn Netz) ausgebaut werden.
Abbildung
38: Dachstromabnehmer für vorhandenes U-Bahn Fahrzeug
Quelle: [89]
Alternativ dazu wurde überlegt, die Energie aus Batterien oder Dieselantrieb zur Verfügung zu stellen. Die Batterielösung wurde als noch nicht alltagstauglich verworfen. Für den Dieselgenerator kämen aus Platzgründen Vorspann- oder Zwischenwagen in Betracht. Erstere würden nur auf Außenstrecken angekuppelt, was im Betrieb zu verzögerungen führt; letztere bedeuten bei ständiger Mitführung erhöhte Gewichtsbelastung auch im Tunnelbetrieb.
Die Lokalbahn Lambach-Haag, die sich aus den Abschnitten Lambach-Neukirchen (4.5 km) und Neukirchen-Haag (26 km) zusammensetzt, wurde schon um 1900 mit 800 V Gleichstrom elektrifiziert. Der erstgenannte Abschnitt ist Teil der "Westbahn" (Hauptbahn), wohingegen der Abzweig Neukirchen-Haag als Nebenbahn gilt. Als die Westbahn 1949 mit dem österreichischen Stromsystem 15 kV 162/3 Hz Wechselstrom elektrifiziert wurde, mußte die 800 V Fahrleitung weichen. Seit 1952 verkehren daher auf der Lokalbahn Mischsystemtriebwagen, die für beide Stromsysteme geeignet sind [90].
Der elektrische Aufbau der Karlsruher Zweisystem
Fahrzeuge ist mit der hier realisierten Lösung eng verwandt. Die Stromführung
erfolgt hinter dem für beide Betriebsarten genutzten Stromabnehmer
über einen elektromotorisch betriebenen Systemwahlschalter. Auf der
15 kV Ebene wird die Spannung auf 800 V transformiert und anschließend
gleichgerichtet. Auf der Gleichspannungsseite befindet sich ein Überspannungsableiter,
der bei falscher Stellung des Systemwahlschalters o.ä. Beschädigungen
verhindern soll.
Der Umschaltvorgang ist allerdings anders als beim
Karlsruher System gelöst. Die Systemwechselstelle liegt von Lambach
kommend kurz hinter dem Abzweig von der Hauptstrecke. Auch hier kommt zwischen
den beiden Systemen eine Schutzstrecke zum Einsatz. Die Ansteuerung des
Systemwechselschalters erfolgt aber nicht durch ein Fühlsystem, was
die anliegende Spannung überprüft, sondern durch streckenseitige
Auslösung. Dazu sind im Gleis je zwei Permanentmagnete eingebaut.
Verwendet werden neu bestellte (Zweirichtungs-) Stadtbahnfahrzeuge
vom Typ SBB/Bem 550, welche auf der Grundlage der Stadtbahnfahrzeuge von
Lausanne (Typ Bem 558 der TSOL) entwickelt wurden.
Sicherheitstechnisch ist das Fahrzeug für die
Zugbeeinflussung "Krokodil" der SNCF und auch für das neue KVB System
(sollte es auf der Strecke eingesetzt werden) ausgerüstet. Eine Sifa
("Totmanneinrichtung") ist nach SBB Standard eingebaut. Schienenbremsen
wurden nicht integriert.
An den Wechselstellen der Stromsysteme sind Gleismagnete
angebracht, die im Falle einer Überfahrt bei diesen Fahrzeugen die
Absenkung des Stromabnehmers und die Stromtrennung bewirken. Der Stromabnehmer
und der Trenner sind für 15 kV ausgelegt und das Fahrzeug kann durch
Hinzufügen eines Mittelteils, der dann wie das Karlsruher Zweisystemfahrzeug
einen Trafo und Gleichrichter aufnehmen könnte, für den Einsatz
im Wechselstrombereich ertüchtigt werden.
Der Trenner wird im jetzigen Zustand durch einen
Meßwandler gesteuert, der die vorhandene Fahrleitungsspannung mißt.
Mittels eines Dieselgenerator Aggregats, dessen
Wechselstrom gleichgerichtet wird, kann das Fahrzeug auch auf nicht elektrifizierten
oder mit 15 kV elektrifizierten Strecken fahren. Wegen der geringen Leistung
des Aggregats ist diese Betriebsart aber nur für Überführungsfahrten
(also kein planmäßiger Betrieb zur Personenbeförderung)
geeignet.
Das Fahrzeuges hat eine Breite von 2674 mm und feste Trittbretter im Bereich der untersten Stufe, welche die Breite auf insgesamt 2980 mm erhöhen. Die Bahnsteige sind nämlich für die größtenteils 2920 mm breiten Eisenbahnfahrzeuge ausgelegt. Die Höhen der Bahnsteige auf diesem Abschnitt liegen zwischen 0 und 350 mm über SO. Die Höhe des festen Trittbretts liegt auf 540 mm, gefolgt von zwei Stufen mit je 230 mm, was eine Wagenbodenhöhe von 1000 mm ergibt. Neben dem seitlichen Spalt (etwa 100 mm) ergibt sich also je nach Bahnsteighöhe auch eine Höhendifferenz (z.B. in Genf Cornavin 210 mm und in La Pleine 320 mm), wonach sich nochmals zwei Stufen anschließen.
Die Strukturfestigkeit des Fahrzeugs beträgt
600 kN, was aber für die Zulassung offenbar kein Hindernis war. Auf
Pufferhöhe der Eisenbahnfahrzeuge wurde für den Fall von Rangierzusammenstößen
ein energieverzehrender Rammbalken angebracht.
Der direkte Übergang von Eisenbahnstrecken
auf die lokalen Straßenbahnnetze ist in der Schweiz nicht möglich,
da alle (außer die TSOL in Lausanne) Meterspur verwenden.
Allerdings wird erwogen für die SNCF Strecke
Annemasse (östlich von Genf in Frankreich) nach Genf-Euax Vives eine
dritte Schiene für Meterspur zu bauen, über welche Mehrsystemfahrzeuge
auf das Straßenbahnnetz übergehen können. Einige Probleme
(wie z.B. die Verwendung von außermittigen Dach-Stromabnehmern für
die Eisenbahnstrecke) sind aber noch ungelöst [93].
Die Entwicklung des westlichen Netzteils begann schon 1898 mit den Vorstadtlinien der "Holmenkollenbahn". 1928 wurde die Bahn bis zur Station Nationaltheater ins Zentrum der Stadt verlängert. Die letzten 2 km bis Nationaltheater verlaufen in einem Tunnel. Die Strecke ist mit Hochbahnsteigen ausgebaut; die 3200 mm breiten Fahrzeuge erhalten ihre Energie über eine Oberleitung, die mit 600 V Gleichstrom betrieben wird. Auf dem Streckenabschnitt von Jar bis zum Endpunkt in Kolsås verkehren die Bahnen zusammen mit nur 2500 mm breiten Straßenbahnen. Diese halten vor oder hinter dem Hochbahnsteig am straßenbündigen Haltestellenbereich. In diesem Netzteil verkehren die Bahnen als Straßenbahn.
Im Osten verkehrte bis zum Bau der Metro nur die Straßenbahn. Die Metro (östlicher Netzteil) wurde 1966 bis Jernbanetorget (Hauptbahnhof der NSB) in Betrieb genommen und 1977 bis zur Station "Stortinget" (Parlament; vorher: Zentrum) verlängert. Die verwendeten Fahrzeuge sind auch 3200 mm breit, werden allerdings über eine seitliche Stromschiene mit 750 V Gleichstrom gespeist. Im Ost-Netz ist die Norwegische Eisenbahnverkehrsverordnung gültig.
1983 wurde dann auch das Westnetz bis Stortinget verlängert, wo dann beide Teile in einer (unterirdischen) Station zusammentreffen, aber die Fahrgäste aufgrund der verschiedenartigen Systeme umsteigen müssen. Die Fahrzeuge aus dem Westnetz wendeten über Gleiswechsel, die T-Bahnen durchfuhren eine Wendeschleife [94].
Abbildung
39: T-Banen System Oslo
Quelle: [95]
Um den Tunnel besser zu Nutzen und den Fahrgästen umsteigefreie Relationen zu bieten wurde beschlossen, die Ost-West Linien (beide Regelspur) miteinander zu verknüpfen (Planname: "Pendeldrift" / Pendelbetrieb) [95]. Zuerst wurde 1991 der Umbau der westlichen Linien auf Metrostandard geplant, allerdings sind diese Strecken teilweise so steigungs- und kurvenreich, daß aufgrund der verschiedenen Fahrzeugarten nicht alle Streckenäste auf Stromschiene umgerüstet wurden. Man beließ daher teilweise die Oberleitungen und stellte nur die Spannung von 600 V auf einheitlich 750 V um. Bereits zwischen 1986 und 89 wurden 16 Metro-Fahrzeuge mit Stromabnehmern für das Westnetz versehen, um dort einsetzbar zu sein. Die 49 Fahrzeuge des Westnetzes erhielten nun ihrerseits Stromabnehmer für seitlichen Stromschienenbetrieb. Die erste Verknüpfung (Durchmesserlinie von Nord-West nach Süd-Ost) konnte dann 1993 in Betrieb genommen werden.
Seit 1994 kommt eine neue Fahrzeuggeneration zum Einsatz. Der T2000 von ABB(Adtranz)/Str?mmen kann auf beiden Netzteilen eingesetzt werden.
Die TTK, Karlsruhe, hat hinsichtlich weiterer Erweiterungsmöglichkeiten des T-Bahn Systems für Stadt- oder Straßenbahnen eine Studie erstellt, die aber nicht veröffentlicht ist. Untersucht werden u.a. die Situation am Bahnsteig und die Spurführung.
Rechtliche Grundlage des Schienenverkehrs sind die RCOR (Railway Construction and Operation Requirements).Bis 1993 existierten für den Betrieb von Straßenbahnen keine rechtlichen Grundlagen [96]. Diese gehören nun der Kategorie der LRT (Light Rapid Transit ) an, welche in der Transport Order, 1992, und in Schedule I of the Railways and other Transport Systems Regulations, 1993, definiert sind. Der Begriff der Straßenbahnen ist im Transport and Works Act, 1992, geregelt. Für die LRTs gibt es vier Betriebsarten, die denen der BOStrab ähneln.
Die deutsche Zweiteilung der Betriebsgrundlagen in EBO und BOStrab wird als Vorteil gesehen, weil sie eine allgemein gültige Grundlage bilden und so genau die Anforderungen vorgeben, die ein Mischsystem erfüllen muß. Dahingegen fehlten solche Regelungen in England, so daß jedes Projekt hätte mit einem eigenen Gesetz auf den Weg gebracht werden mußte [96].
Die Zugangsmöglichkeiten zum Netz von BR wurden (neben den technischen und betrieblichen Anforderungen) lange als die Hauptschwierigkeit angesehen [97]. Erst die europäische Forderung nach Trennung von Infrastruktur (hier: Railtrack) und Betrieb und Zugang zur Infrastruktur [98] bewirkten im Railway Act (1993) eine Änderung.
Im Bereich der Finanzierung neuer Projekte existiert
zwar durchaus eine staatliche Förderung durch Zuschüsse, allerdings
wird eine private Beteiligung an den Investitionen sowie eine privatrechtliche
Form der Trägerschaft, die für Planung, Bau, Betrieb und Unterhalt
der Bahnen zuständig ist, vorgeschrieben.
Diese Bedingungen erforderten z.B. in Manchester
völliges Umdenken von bisherigen Organisationsmodellen der öffentlich-rechtlichen
Hand. Die Neuorganisation verursachte zeitliche Verzögerungen bei
der Projektverwirklichung.
Die größten technischen Probleme tauchen
in zwei Bereichen auf:
Für das gemeinsame Verkehren auf Eisenbahnstrecken
wird von HMRI (Her Majesty´s Railway Inspectorate; Aufsichtsbehörde)
ein ATP-System (Automatic Train Protection) gefordert,
mit dem alle Fahrzeuge ausgestattet sein müssen. Da der Begriff ATP
nicht genau abgegrenzt ist und nähere Angaben nicht vorliegen, wird
angenommen, daß eine Zugbeeinflussungsvorrichtung mit punktueller/angehängter
Geschwindigkeitsüberwachung analog zur deutschen Indusi gefordert
ist. Solch ein System ist aber nicht überall im Einsatz und ein einheitliches
Standardsystem bis jetzt nicht eingeführt. Die Ausrüstung müßte
also für alle Fahrzeuge vorgenommen werden und ist entsprechend teuer.
Die Forderungen von HMRI verlangen zudem die Übergänge zum Netz
von Railtrack so zu gestalten, daß Fahrzeuge ohne funktionierendes
ATP keine Zugangsmöglichkeit haben.
Die zweite große Hürde
ergibt sich aus der Situation an vorhandenen Bahnsteigen. Die Standard
Bahnsteighöhe beträgt 9150 mm (in Ausnahmefällen bis zu
890 mm). Diese ist für die Einstiegshöhen regulärer Eisenbahnfahrzeuge
von rund 1145 mm mit einer Höhendifferenz von 230 mm gut gelöst.
Die Fußbodenhöhen der Wagen liegen zwischen 1145 und 1300 mm.
An diesem Bahnsteig können daher nur Hochflurfahrzeuge verkehren,
was für die LRV wiederum Probleme im innerstädtischen Bereich
schafft, wo teilweise nur Bahnsteige mit "Bordsteinhöhe" realisierbar
sind.
Auch in der Breite sind die Verhältnisse ungünstig.
Die maximale Breite der LRV beträgt 2650 mm und ist damit geringer
als die der Eisenbahnfahrzeuge (z.B. 2740 mm des BR Mk 3 coach). Es ergibt
sich –bei 2650 mm Breite- eine Spaltbreite von 175 mm am Bahnsteig; für
schmälere LRV entsprechen mehr. Für neu zu bauende Bahnsteige
werden strengere Bedingungen hinsichtlich der Spaltbreite verlangt.
Abbildung
40: Spaltbreiten am Bahnsteig
Quelle: [96]
Die größere Spaltbreite der LRV ist mit Schiebetritten oder hochklappbaren Borden zu vermindern. Alternativ ist auch eine Gleisverschlingung zur Heranführung des Zuges an den Bahnsteig oder ein eigener Bahnsteig diskutiert worden.
Falls doch ein Mittel- oder Niederflurfahrzeug auf den Bahnstrecken eingesetzt werden soll wurde über den Bau von sogenannten Profilbahnsteigen nachgedacht. Vor oder hinter dem Eisenbahnsteig liegt dann ein zweiter Bahnsteig mit niedrigerer Oberkante. Solch ein Bahnsteig schafft aber neue Probleme bezüglich der Leute, die das Gleisbett höhengleich überqueren wollen, was ihnen durch das niedrigere Bahnsteigniveau erleichtert würde. Deshalb ist bei solchen Bahnsteighöhen eine Grubenkonstruktion vorzusehen:
Abbildung
41: Überquerungshindernis
Quelle: [99]
Die Lösung der Seitenabstände ist wie bei Ausführung als Hochbahnsteig vorgesehen.
Aus diesen Gründen wurde bei allen Projekte der letzten Jahre versucht einen "echten" Mischbetrieb zu vermeiden. Die gängigsten Methoden dieser Lösungen sind:
Abbildung
42: Profilbahnsteig
Quelle: [100]
Der seitliche Spalt an den bestehenden ehemaligen BR Bahnsteigen wird mit Schiebetritten überbrückt.
Auch die Projekte "Supertram" in Sheffield und "Tramlink" in Croyden (Großraum Süd-London) "recyceln" ehemalige BR-Strecken zu Stadtbahnstrecken. Die dortigen Bahnsteighöhen werden abgesenkt. Weil es sich aber deswegen nicht um Mischbetrieb in unserem Sinne handelt, soll hier nicht näher darauf eingegangen werden.
In dieser Studie wurde auch ein Radprofil vorgeschlagen, das für den gemeinsamen Betrieb angepaßt ist.
Abbildung
43: Voruntersuchung Radprofil für Mischbetrieb
Quelle: [96]
Die bekannten Details wurden bereits weiter oben vorgestellt.
Eine zweite Verbindung -diesmal in Ost-West Richtung- ist zwischen Liverpool Street Station und Paddington Station geplant, wobei Paddington bisher nicht elektrifiziert ist und daher durchgehend mit 25 kV neu elektrifiziert wird.
In Rotterdam wurde auf der Ost-West Achse ein System aufgebaut, welches im Stadtkern als U-Bahn im Tunnel und im weniger verdichteten Vorortbereich teils als überirdische höhengleiche Stadtbahn verkehrt.Abbildung
44: Netzplan Rotterdam
Quelle: [95]
Die U-Bahn wird über eine seitliche Stromschiene mit 750 V Gleichstrom versorgt und ist kreuzungsfrei. Die oberirdisch geführte Stadtbahn hat höhengleiche Kreuzungen mit dem Individualverkehr, die durch Lichtzeichenanlagen (teilweise mit Halbschranken) mit automatischer Vorrangschaltung gesichert sind. Die Fußgänger und Radfahrerübergänge sind ebenfalls mit Lichtzeichen signalisiert und zusätzlich mit akustischen Warneinrichtungen und Gefahrenbereichs-Markierungen der Furten versehen. Ansonsten ist die Trasse vom übrigen Verkehr unabhängig und durch Hecken, Zäune etc. gegen Überquerungen von Fußgängern und Radfahrern geschützt. Wegen der Kreuzungen wird die Stadtbahn über eine Oberleitung gespeist, die ebenfalls mit 750 V Gleichstrom betrieben wird.
Es kommen zwei Arten von Fahrzeugen zum Einsatz.
Modellreihe "M" ist nur für den Metrobetrieb ausgelegt, Modellreihe
"T" ist für den Mischbetrieb konzipiert. Beide Baureihen sind Zweirichtungsfahrzeuge
mit Türen auf beiden Fahrzeugseiten. Die Breite der Fahrzeuge beträgt
2680 mm (bzw. 2700 mm, neue Modelle) für den M Typ und 2730 mm für
den T Typ. Die Fußbodenhöhe liegt bei 1055 mm über SO.
Dies erforderte für einen stufenlosen Zugang
zum Fahrzeug auch auf den Stadtbahnstrecken den Bau von Hochbahnsteigen.
Die Integration der etwa 1000 mm hohen Bahnsteige in die Umgebung ist nur
in funktionaler Hinsicht zu lösen. Der Zugang zum Bahnsteig erfolgt
wahlweise über Rampen oder Treppen am Bahnsteigende, die durch Geländer
gesichert sind.
Der Typ T ist neben den Seitenstromabnehmern mit
einem Abnehmer auf dem Dach für den Oberleitungsabschnitt ausgerüstet.
Weitere Unterschiede zum M Typ sind die Schienenbremse und die Sandstreueinrichtung
sowie die Bremsleuchten und Blinker.
Die Umschaltung von dritte Schiene- auf Oberleitungsbetrieb
findet zwischen der Station Capelsebrug (Ostseite) und Schenkel statt.
In diesem Bereich teilt sich die zweigleisige, auf einem Damm geführte
Stammstrecke, in die zweigleisige Stadtbahnstrecke und die weiterführende
U-Bahnstrecke nach Capelle a/d Ijssel (ebenfalls zweigleisig), die 1994
fertiggestellt wurde. Die Ausfahrt aus Capelsebrug in Richtung Osten erfolgt
bereits viergleisig; die Entflechtung geschieht niveaufrei, wozu die Gleise
von und nach Capelle a/d Ijssle außen liegen und das nördliche
Gleis (aus Capelle a/d Ijssle Richtung Zentrum) auf einer Spange über
die beiden abzweigenden Stadtbahngleise geführt wird. In diesem Abzweigbereich
beginnt die Oberleitung für Stadtbahnbetrieb und die Trasse wird vom
Niveau der U-Bahn (Dammlage) auf Geländehöhe abgerampt [105].
Die Umschaltung selbst erfolgt während der
Fahrt, wozu zuerst die Dachstromabnehmer automatisch ausgefahren werden
und dann die Umschaltung zwischen den Stromabnehmern erfolgt (wichtig ist,
daß die Seitenstromabnehmer wegen der Berührungsmöglichkeit
stromlos geschaltet sind) und schließlich die Seitenstromabnehmer
eingeklappt werden. In der Gegenrichtung erfolgt die Umschaltung in umgekehrter
Reihenfolge. Eine Einfahrt mit ausgefahrenem Dachstromabnehmer in den Tunnel
ist nicht möglich; die Endlage wird zusätzlich verriegelt.
Das System ist in Regelspurweite ausgeführt.
Die gesamte Strecke ist mit einem Linienzugbeeinflussungssystem (Typ Siemens
LZB-801) versehen. Die fahrzeugseitige Ausstattung der LZB erlaubt die
Anzeige ("Führerraumanzeige" / "Kabinensignale") der zulässigen
Geschwindigkeit. Überschreitungen der zulässigen Geschwindigkeit
werden durch Abbremsen auf den zulässigen Wert korrigiert, Überfahren
von Halt zeigenden Signalen durch Zwangsbremsung quittiert.
Nach einigen Unfällen mit Kfz an höhengleichen
Kreuzungen wurde die zulässige Streckengeschwindigkeit auf den Stadtbahnabschnitten
auf 50 km/h reduziert. Im U-Bahn Abschnitt beträgt sie 80 km/h.
Eine Erweiterung der zuerst gebauten Nord-Süd Linie über den Hauptbahnhof (CS/Central Station) hinaus Richtung Norden ist geplant. In Verbindung mit dem "Randstad Rail" Projekt [106] wird überlegt die Linie mit Stadtbahnlinien in Den Haag zu verbinden und mit neu konzipierten Fahrzeugen durchgehend zu betreiben. Als Möglichkeiten werden die Benutzung von Strecken der Niederländischen Staatsbahn (NS) nach dem Karlsruher Modell sowie die Konvertierung und der Ausbau einer wenig befahrenen Strecke zur Stadtbahn erwogen. Die NS gründeten dazu 1995 eine eigene Abteilung für "Leichten Nahverkehr".
Als Kompromiß wurde ein System ausgewählt, das einerseits die vorhandene Metrostrecke mitbenutzt, andererseits über die neu zu bauende Ringlinie bei Zuid WTC dann auf eine Straßenbahnstrecke übergeht, die dazu für Stadtbahnbetrieb umgebaut werden soll.
Abbildung
45: Netzplan Amsterdam
Quelle: [95]
Die Ringlinie [108] war schon länger projektiert und umfährt Amsterdam inzwischen (Inbetriebnahme 1997), ausgehend von der Süd-Ost Metrostrecke, im Bogen bis in den Nord-Westen, wo ein Übergang zur NS besteht (Station Sloterdijk). Die Ringlinie wurde für das Amstelveenprojekt bis zur Station Zuid WTC gebaut. Dort findet die Vereinigung mit der Straßenbahnlinie 5 –von Norden kommend- und gleichzeitig die Ausfädelung dieser beiden Linien aus der weiterführenden Ringlinie statt. Hier befindet sich auch die Schnittstelle (rechtlich wie technisch) zwischen Metrobetrieb nach Eisenbahnvorschriften und Straßenbahnbetrieb. Die Ringlinie wird auf einem Damm geführt, so daß die Stadt- und Straßenbahn Richtung Süden die Trasse unterqueren und so auf Geländeniveau gelangen. Von Norden kommend unterquert die Straßenbahn die Trasse erst teilweise, um dann in Mittellage aufzusteigen. Die Straßenbahnlinie verläßt die Sneltramstrecke auf etwa halben Weg von WTC zur Endstation Poortwachter in Richtung Westen und endet dort in der Station Binnenhof (die Straßenbahnlinie ist im Lageplan nicht verzeichnet). Südlich der Ringlinie verläuft noch unabhängig davon eine zweigleisige NS-Strecke.
Abbildung
46: Schnittstelle Station WTC
Die Anpassung an beide Systeme brachte einige ungewöhnliche
Lösungen mit sich. Die gebaute Metro verfügt über ein "Großprofil"
mit 3005 mm Fahrzeugbreite und auch über eine Tunnelhöhe von
4100 mm (über SO), weil ein evtl. Gemeinschaftsbetrieb mit speziellen
NS-Fahrzeugen vorgesehen war. Die eingesetzten Straßenbahnen sind
nur 2350 mm breit. Für die Sneltram wurde daher als Kompromiß
eine Breite von 2650 mm festgelegt, wohl auch um höhengleiche Kreuzungen
mit dem Individualverkehr zu ermöglichen. Durch die schmäleren
Fahrzeuge entsteht nun aber eine Differenz gegenüber den Breiten der
Metrofahrzeuge von 177,5 mm, der mittels eins Bordes überbrückt
wird. Das Bord ist 15 mm unterhalb des Fahrzeugbodens angebracht, 193 mm
breit und wird auf den Metrostrecken pneumatisch hochgklappt. Auf der Sadtbahnstrecke
hängt es –bündig mit der Fahrzeugseitenwand- nach unten und ist
verriegelt. Bei den Fahrzeugen der ersten Generation gingen die Bords über
die gesamte Länge des Wagenkastens. Bei den neueren Fahrzeugen kommen
Bords zum Einsatz, die nur noch etwas länger als der Türbereich
sind [109].
Die Fußbodenhöhe der Metrofahrzeuge liegt
bei 1100 mm, die Bahnsteighöhen bei 1000 mm. Die Straßenbahnen
hingegen haben 870 mm hohe Fußböden mit einer Höhe der
untersten Trittstufe von 280 mm und werden deshalb vom Straßenniveau
oder, wenn örtlich möglich, von 230 mm hohen Haltestellen bestiegen.
Diese Anforderungen führten zum "Profilbahnsteig", wie er dann auch
in englischen Untersuchungen wieder auftaucht (siehe Abbildung Profilbahnsteig
Manchester). Der 30 m lange Straßenbahnsteig (Höhe 230 mm) und
der 65 m lange Sneltrambahnsteig (Höhe 1040 mm) liegen hintereinander
und sind durch eine Treppe und eine Rampe miteinander verbunden. Die Kante
des niedrigeren Teils reicht wegen der schmäleren Straßenbahn
weiter an den Bahnkörper heran und wird deshalb ca. 150 mm von den
Sneltrams überstrichen. Beide Bahnsteigoberflächen sind wohl
aus diesem Grund mit einer durchgehenden Warnlinie (optisch und profiliert)
im Abstand von 1650 mm zur Gleisachse versehen. Wie in Rotterdam lassen
sich die Hochbahnsteige kaum ins Straßenbild integrieren, wobei aufgrund
der Lage des Bahnkörpers in Mittellage einer vierstreifigen Hauptsammelstraße
die Lösung akzeptabel ist.
Der Gemeinschaftsbetrieb von Straßen- und Stadtbahn
(Sneltram) auf dem Abschnitt WTC bis Binnenhof erforderte spezielle Weichenkonstruktionen.
Bei Verzweigungen und Vereinigungen der beiden Fahrzeugarten kommen Weichen
mit unterschiedlichen Rillenbreiten in den Herzstückbereichen zum
Einsatz; die Weichen, die von beiden Fahrzeugarten in beiden Zweigen befahren
werden müssen (zwei Gleiswechsel für den Fall von Betriebsstörungen
etc.) sind Konstruktionen mit beweglichen Herzstücken. Grund hierfür
sind die unterschiedlichen Radprofile und Radsatzquermaße. Die Radreifenbreite
der Straßenbahnen wurde z.B. für diese Linie auf 95 mm erhöht,
die anderen Straßenbahnen verwenden eine Breite von 87 mm. Die Radbreite
der Sneltrams beträgt 135 mm.
Auf dem gleichen Teilstück wurden Schienen
vom Typ S 41 verlegt; ansonsten S 49.
Die Straßenbahnen beziehen ihre Energie aus einer Oberleitung mit 600 V Gleichstrom, wohingegen die Metro 750 V Gleichstrom über eine seitliche Stromschiene erhält. Weil die Verwendung von Stromschienen im Straßenraum zu viele Sicherheitsprobleme aufwirft, kommt auf dem Abschnitt südlich von WTC (wie in Rotterdam) die Elektrifizierung mittels Oberleitung zum Zuge. Die Nennspannung entspricht mit 600 V den Anforderungen der Straßenbahn, womit sich die Sneltram "begnügen" muß. Die Sneltram bekommt analog zu dem Rotterdamer System einen Dachstromabnehmer und seitliche Stromabnehmer für die Metrostrecken.
Für den Betrieb auf Metrostrecken, die mit einem
Selbstblocksystem arbeiten, muß die Sneltram entsprechend ausgerüstet
sein. Das feste Selbstblocksystem wird durch eine automatische Zugsteuerung
(AEG) die nach dem LZB Prinzip arbeitet ergänzt. Innerhalb dieser
Zugsteuerung sorgt das Geschwindigkeits- und Bremswegüberwachungssystem
(SRB vom Typ Siemens ZUB-100/122) für die Einhaltung der zulässigen
Werte.
Neu eingeführt wurde für den Mischbetrieb
ein sogenanntes Betriebs-Beherrschungs System (EBS / Expoitatie Beheers
System), welches nach unserer Definition einem IBIS entspricht. Es ist
zuständig für die automatische Zielfilmansteuerung, Haltestellenansagen
etc [110].
Südlich von WTC verkehren die Straßenbahn
und die Sneltram auf Sicht. Allerdings erhalten sie an den Kreuzungen mit
dem Individualverkehr absolute Vorrangschaltung der Lichtzeichenanlagen.
Das Umschalten von Stadtbahn- auf Metro-Stromsystem erfolgt in der Station WTC während des Fahrgastwechsels im Stand. Im Bereich der Station sind sowohl Oberleitung als auch seitliche Stromschiene montiert. Der Dachstromabnehmer wird also abgebügelt und die Seitenstromabnehmer um 300 mm ausgefahren, oder –je nach Fahrtrichtung- umgekehrt. Die seitlichen Borde werden bereits vor (erst hinter) der Station hochgeklappt (abgeklappt). Die Umschaltung ist inzwischen automatisiert, kann aber auch manuell vorgenommen werden.
Die Zusatzausstattung der Sneltrams umfaßt weiterhin Schienenbremsen und Sandstreueinrichtung sowie Bremsleuchten und Blinker.
Im täglichen Betrieb muß die Sneltram pünktlich in der Station Spaklerweg, wo die Vereinigung mit der Süd-Ost Metro geschieht, eintreffen. Es steht nur ein schmales Zeitfenster zur Verfügung, innerhalb dessen der Betrieb auf der Süd-Ost Linie nicht gestört wird. Falls die Sneltram zu spät in Spaklerweg eintrifft, hat die Metro Vorrang und die Sneltram fährt einen verkürzten Umlauf indem sie in Spaklerweg umkehrt.
Im Jahre 1995 fiel eine Vorentscheidung zum Bau einer "Bahn-Hybrid" genannten Stadtbahn nach Karlsruher Vorbild. Die Entscheidung beruhte auf einer Studie ("Luxtraffic"), in der fünf verschiedene Verkehrskonzepte für Luxemburg untersucht wurden. In Luxemburg wird der öffentliche Personennahverkehr derzeit mit Bussen und mit Regionalbahnen bewältigt, wobei letztere allerdings im peripher zum Stadtzentrum gelegenen Hauptbahnhof enden (Distanz etwa 2 km). In der Studie wurde festgestellt, daß sehr viele Pendler aus dem Grenzgebieten (Belgien, Deutschland, Frankreich) nach Luxemburg fahren und gerade bei diesen der ÖPNV-Anteil niedriger als z.B. im innerstädtischen Verkehr ist. Eine Lösung mit direkten, schnellen und umsteigefreien Verbindungen verspricht daher die Beste Möglichkeit der Verkehrsverlagerung vom IV zum ÖPNV.Die Neubaumaßnahmen der ersten Phase beinhalten den Bau von zwei Verknüpfungen und die innerstädtischen Strecken. Eine Nord-Süd Strecke vom Bahnhof durch das Zentrum bis zum zweiten Verknüpfungspunkt in Dommeldange sowie ein Abzweig von dieser Strecke in Richtung Osten nach Kirchberg.
Abbildung
47: Neubaustrecken im Zentrum Luxemburgs
Quelle: D.Riechers, Nagold
Die Fahrzeuge sollen (dann) alle vier vorhandenen Stromsysteme benutzen können. Die hauptsächlich vorherrschende Elektrifizierung ist Wechselstrom mit 25 kV und 50 Hz. Die Strecke von (Brüssel-Arlon)-Kleinbettingen-Luxemburg ist aber in Verlängerung des Belgischen Stromsystems mit 3 kV Gleichstrom elektrifiziert. Dazu sind einzelne Gleise des Hauptbahnhofes mit umschaltbaren Fahrleitungsanlagen versehen. Das dritte Stromsystem ist das deutsche hinter der Grenzstation Wasserbillig Richtung Trier mit Wechselstrom von 15 kV und 162/3 Hz. Für die innerstädtischen Strecken ist aufgrund der niedrigen Sicherheitsabstände u.a. eine Spannung von 750 V (Gleichstrom) vorgesehen (4. Stromsystem).
Abbildung
48: Elektrifizierung des CLF Netzes
Quelle: [112]
Die Entwicklung eines solchen Fahrzeuges bereitet
aber wegen des eingeschränkten Platzangebotes (geplant: 30 m Länge,
aber wahrscheinlich wird sich eine Länge von etwa 37 m ergeben) Probleme,
so daß evtl. verschiedene Varianten für die einzelnen Strecken
realisiert werden. Außerdem ist ein Umschaltsystem für vier
verschiedene Stromarten bisher nicht realisiert.
Die Breite des Fahrzeuges soll 2650 mm betragen.
Die Fahrzeugplanung orientiert sich etwas an dem in Saarbrücken verwendeten
Typ. Die Fußbodenhöhe wird mit 400 mm gefordert, was für
das Verkehren an den Bahnsteigen der CFL (Nationale des Chemins de Fer
Luxembourgeois) mit 380 mm optimal ist. Die Haltestellenhöhen im Zentrum
liegen bei rund 200 mm [113].
Es werden in Frankreich sechs Entwicklungsarten unterschieden [116]:
Eisenbahnseitige Entwicklung und geplante Vorhaben:
Abbildung
49: Lageplan Nantes
Quelle: [117]
Der Erstgenannte Streckenast soll über Doulon hinaus über die Ile Beaulieu und die Pont Rousseau nach Rezé führen. Dafür ist eine Elektrifizierung mit Gleichstrom von 750 V entsprechend des Stadtbahnsystems geplant. Nachts soll der Güterverkehr der SNCF verkehren, tagsüber die Stadtbahn. Zu einem späteren Zeitpunkt könnte diese Linie dann ins 12 km weiter süd-westlich gelegene Bouaye verlängert werden, wobei aber Zweisystemfahrzeuge nach dem Karlsruher Modell, die auf Strecken mit SNCF Elektrifizierung übergehen können, nötig wären. Diese Möglichkeit wird noch untersucht [118].
Für den zweiten Abschnitt ist eine Version der "Tramway SNCF" geplant. Diese Soll zwischen Carquefou und Doulon pendeln. Übergänge sind dann an der Umsteigestation Doulon zur vorhandenen Stadtbahn (Linie 1) bzw. projektierten Mischbetriebslinie vorhanden. Die "Tramway SNCF" ist aber kein Mischbetrieb im Sinne dieser Arbeit.
Für die unterschiedlichen Bahnsteighöhen von SNCF (1000 mm bis 1100 mm) und RATP (600 mm bis 800 mm) ist der Zweisystemtriebzug mit verstellbaren Trittbrettern ausgestattet. Die Fußbodenhöhe liegt bei 1200 mm (alle Maße über SO) [119].
Genau in diese sich ergebende Lücke entwickelte
sich in den 70er und 80er Jahren die so genannte Stadtbahn. Sie stammt
zwar von der Straßenbahn ab, aber sie überwindet die Stadtgrenzen
und bedient Vororte und Nachbarstädte. Obwohl sie wie die Straßenbahn
normalerweise an der Oberfläche verkehrt, verfügt sie zumindest
im verdichteten Bereich über einen eigenen Fahrweg und ist gegenüber
dem Individualverkehr bevorrechtigt. In Kernbereichen verkehrt sie auch
in der zweiten Ebene, teilweise ist sie in U-Bahnsysteme integriert. Verglichen
mit den S-Bahnen der Großräume kann man hier durchaus von einer
"S-Bahn light mit Integrierter U-Bahn Funktion" sprechen, weil auch die
Distanzen zwischen Stadtgrenze und –kern nicht dieselben Dimensionen besitzen
und hier keine Differenzierung nach U- und S-Bahn-Aufgaben nötig machen.
Im Gegenteil: Viele Fahrgäste erreichen ihr Ziel direkt, ohne erst
an zentralen Punkten umsteigen zu müssen. Die Stadtbahn findet aber
nicht nur in kleineren bis mittleren Verdichtungsräumen (ohne eigene
S-Bahn), sondern auch bei tangentialen Verbindungen von Subzentren der
Großräume ihr Einsatzgebiet.
Inzwischen wird dieses Verkehrssystem "Stadtbahn"
auch vom UITP als eigenständige Kategorie neben S-Bahn, U-Bahn und
Bus geführt.
Die Städte Karlsruhe, Kassel, Saarbrücken , Genf und Zwickau sind Monozentren und die Region ist demzufolge eindeutig auf sie ausgerichtet. Das gleiche trifft zwar auch auf Luxemburg zu, jedoch ist die besondere Bedeutung der Stadt als Landeshauptstadt und Finanzzentrum sowie das sehr ungewöhnliche Verhältnis der Einwohnerzahl von Stadt/Region und die damit verbundenen Pendlerströme besonders zu erwähnen.
Der Einwohnerzahl in der Region kommt Bedeutung zu,
weil sie das Potential der Verkehrsströme ergeben. Den Einzugsbereich
eines monozentrischen Verdichtungsraums dieser Größe kann man
mit etwa 30 bis maximal 50 km ansetzen.
Das Verhältnis der Einwohnerzahl von Stadt/Region
kann nicht als allgemeingültiges Kriterium zur Beurteilung herangezogen
werden, weil beide Eingangswerte aufgrund vieler anderer Einflüsse
zu breit streuen.
Im Verdichtungsraum Mannheim/Ludwigshafen/Heidelberg ist die Trennung bzw. der Abstand der Städte so groß, daß dennoch eigenständige Städte bestehen, zwischen denen sich ein Stadtbahnbetrieb entwickeln konnte.
Die Bedeutung der Stadt in der Region spielt also eine große Rolle. Handelt es sich um ein Monozentrum mit großen Abständen zu vergleichbaren Städten, oder bilden mehrere Zentren mit kurzen Entfernungen einen Großraum. In letzteren Fall sind die Größen der einzelnen Zentren, sowie die Siedlungsstrukturen zwischen ihnen von Bedeutung.
Im Fall von Köln/Bonn spielt sicher auch die Funktionsart eines Subzentrums aufgrund der kurzen Entfernung zu Köln und dessen Größe eine Rolle. Obwohl Bonn natürlich –auch nach großen Zuwachs in den letzten 40 Jahren- selbst ein Zentrum bildet, was aber in einer monozentrischen Struktur viel ausgeprägter wäre.
Eine zweite Kategorie der Mischbetriebe konnte im S-Bahn Bereich großer Städte wie London, Paris oder Oslo gefunden werden, wo verschiedene Netze mit Systemgrenzen im Kernbereich von Mischbetriebsfahrzeugen gemeinsam befahren werden.
Außerdem existieren noch einige Sonderfälle, die sich nicht in diese beiden "Schubladen" einordnen lassen.
Den Mischbetrieben liegt aber neben den umsteigefreien
Verbindungen ein zweiter wichtiger Gedanke zugrunde. Ohne Zwang und Not
kommt niemand auf die Idee, technisch aufwendige Sonderkonstruktionen zu
entwickeln. Wenn die Kosten keinerlei Rolle gespielt hätten, wären
sicher in diesen mittelgroßen Städten ebenfalls eigenständige
S-Bahn Netze auch für ein geringes Fahrgastaufkommen gebaut worden.
Weil aber die Gelder dazu nicht zur Verfügung standen, war man gezwungen,
die örtlich vorhandene Infrastruktur optimal auszunutzen.
Verschiedene Teilnetze wurden miteinander verknüpft
und die durchgehende Befahrbarkeit realisiert. So konnte mit verhältnismäßig
geringen Mitteln eine Netzwirkung weit über das ursprüngliche
Verbreitungsgebiet hinaus erzielt werden.
Betrachtet werden nur Übergangsmöglichkeiten mit gleichem Grundmaß der Spurweite:
Fall 1: BOStrab geht auf EBO über:
Übergänge von Maßsystem A nach B,
oder von B nach A:
Das System B wurde als Übergangssystem in Köln
entwickelt. Der Wechsel ist über Zwischenstufen von A nach B (und
theoretisch auch umgekehrt) möglich. Die zu bewältigenden Schritte
hängen dabei von den sehr unterschiedlichen Ausgangssituation der
bestehenden Betriebe nach Maßsystem A ab. Die wichtigsten Kriterien
sind hier Radbreite, Spurkranzform, Schienen- und Weichentypen mit den
zugeordneten Quermaßen.
Für Übergangsmöglichkeiten C auf A oder B und A oder B auf C siehe Fall 2: EBO nach BOStrab)
Fall 4 BOStrab (Meterspur) geht auf ESBO (Meterspur) über :
§21(2) der ESBO erlaubt Abweichungen von denen
in Anlage 4 und 5 vorgegebenen Radsatzmaßen und Radprofilen für
Bahnen, ...die nur auf Strecken mit reinem Personenverkehr eingesetzt
werden oder auf solche Strecken übergehen....
Eine ausreichende Sicherheit gegen Entgleisen muß
gewährleistet sein.
Es kann also in diesen Fällen beispielsweise
das Radprofil des Maßsystems A Verwendung finden.
Die Möglichkeit, mit ESBO Radsätzen auf
das Maßsystem A überzugehen, besteht nicht. Der Unterschied
der Leitkreisabstände beträgt zwischen vier und neun Millimetern.
Tabelle 1: Kurzübersicht
Übergangsmöglichkeiten aus Spurführungstechnischer Sicht
bei gleicher Grundspurweite
|
|
|
|
|
|
|
|
| A, Meterspur |
|
|
|
|
|
|
| A, Regelspur |
|
|
|
|
|
|
| B |
|
|
|
|
|
|
| C |
|
|
|
|
|
|
| EBO |
|
|
|
|
|
|
| ESBO |
|
|
|
|
|
|
Schon wegen der entfallenden Umsteigevorgänge und der damit kürzeren Reisezeiten ist für solche Mischbetriebsvorhaben oftmals die Förderfähigkeit gegeben.
Die schwierigere Hürde ist die Wirtschaftlichkeit von Betrieb und Unterhalt. Durch die Hinzunahme eines weiteren Systems in ein Verkehrsunternehmen werden dort Erweiterungen z.B. in den Werkstätten nötig. Bestehende Anlagen können nicht immer mitgenutzt werden, neues Personal, neue Techniken und sogar Gebäude sind nötig. Diese Kosten werden besonders bei kleinen Vorhaben so durchschlagen, daß eine Wirtschaftlichkeit nicht erzielbar ist. Alternativ dazu wird deshalb die Instandhaltung teils in die Hände des Betreibers des Partnernetzes gegeben.
Auch der Betrieb ist im Regelfall für Mischbetriebe
teurer als im homogenen Netz.
Die zusätzliche Fahrzeugausrüstung schlägt
z.B. beim Karlsruher Stadtbahnwagen mit rund 5,5 t Zusatzgewicht (+10 %)
zu Buche, was den Energieverbrauch erhöht. Der Verschleiß kann,
wenn Netze mit unterschiedlichen Spurführungsabstimmungen befahren
werden viel, höher als im normalen Betrieb sein. Dementsprechend sinken
die Standzeiten von Schienen, Weichen und Radsätzen; die Intervalle
für Kontrollen und Instandhaltung werden kürzer.
Die betrieblich zulässigen Toleranzen werden
bei Mischbetrieben durch die zulässigen Grenzwerte der Teilsysteme
erheblich eingeschränkt. Als Beispiel sei hier die Spurkranzhöhe
des Karlsruher Zweisystemwagens angeführt: Die Grenzmaße im
BOStrab Betrieb sind hier 25 und 32 mm, im EBO Bereich 30 und 38 mm. Die
Betriebsgrenzmaße liegen also bei 30 und 32 mm. Die "wachsenden Spurkränze"
müssen also häufiger abgedreht werden als im reinen EBO Betrieb
und entsprechend genauer überwacht werden.
Durch doppelt oder zusätzlich vorhandene Einrichtungen
an Fahrzeug oder Strecke entstehen höhere Ersatzkosten.
Wenn das zu befahrende Netz oder die Strecke nicht im eigenen Besitz des Verkehrsunternehmens liegt und die Fahrwegkosten so über Investitionen und Unterhalt entstehen, so ist für den Übergang auf Fremdanbieter (z.B. die DB AG) ein kilometer- und Streckenabhängiger Trassenpreis zu entrichten, falls nicht besondere Betriebsformen vereinbart werden.
Die betriebliche Verknüpfung mehrerer Strecken birgt Risiken hinsichtlich der Zuverlässigkeit in sich. Die Fahrzeuge müssen bei manchen der vorgestellten Projekten innerhalb eines mehr oder weniger breiten Zeitfensters am Übergangspunkt eintreffen, um zwischen die Fahrplanlagen der Mischverkehrsstrecke zu passen (Beispielsweise Karlsruhe, Amsterdam). Treten nun z.B. im innerstädtischen Bereich Verzögerungen auf und das Fenster wird verpaßt, so weiten sich die Verspätungen aus bzw. entfallen einzelne Weiterfahrten. Gerade die Systeme, die im BOStrab Bereich keine durchgehenden eigenen Bahnkörper besitzen (Kreuzungen, Straßenbündige Bahnkörper aber auch Bahnübergänge) sind regelmäßig externen Störungen ausgesetzt, die von kurzzeitigen Behinderungen durch zugefahrene Kreuzungen oder nicht profilfrei abgestellte Fahrzeuge bis zum Verkehrsinfarkt durch Unfälle oder Beschädigungen im zentralen Netzbereich reichen.Die Realisierung von Mehrsystembetrieben ist dabei
aber auch immer ein Spiegel des technisch Möglichen und des politisch
Gewollten.
Darunter fallen z.B.: Die Doppelung von Antriebssystemen
bzw. das Mitführen von separaten Umspannvorrichtungen, welche erst
durch einen geringeren Platzbedarf bzw. leistungsfähigere Anlagenteile
möglich wurden. Die Ansteuerung der Fahrzeugbremsen durch verschiedene
Sicherheitssysteme, die ohne eine Weiterentwicklung der Fahrzeugelektronik
nicht denkbar wäre. Ohne die Fortentwicklung und Anpassung der Spurführung
wäre erst gar kein Mischbetrieb denkbar.
Auf politischer Ebene sind spezielle Gesetzesänderungen
hinsichtlich des zu gewährenden Zugangs sowie die finanzielle Förderung
und Initiierung von Forschungsvorhaben zur Entwicklung und Erprobung von
Komponenten zu erwähnen.
LNT Gutachten:
Die schweren Zugunfälle mit leichten Schienenbussen
in den 70er Jahren führten zur Erhöhung der Mindestanforderungen
an die Strukturfestigkeit bei der DB. Heute würde man die Zusammenhänge
vermutlich anders beurteilen und zu anderen Schlußfolgerungen kommen.
Die Unfälle beruhten damals auf menschlichen Fehlhandlungen. Eine
technische Streckensicherung sowie ein Zugbahnfunk existierten nicht. D.h.
Unfälle dieser Art können heute aufgrund der besseren technischen
Einrichtungen praktisch ausgeschlossen werden. Die damals fehlende aktive
Sicherheitstechnik sollte durch die Erhöhung der passiven Sicherheit
(Rahmensteifigkeit) ausgeglichen werden. Sicher ist jedoch nur, daß
solche Unfälle durch technische Vorkehrungen vermieden werden können.
Wie der Unfallausgang mit Fahrzeugen gewesen wäre, die über diese
danach angeordnete Strukturfestigkeit verfügen, kann nicht beurteilt
werden.
Unbestritten ist, daß die Fahrzeuge eine gewisse
Mindeststabilität aufweisen müssen, um einerseits den betrieblichen
Anforderungen wie Stößen aus Rangiervorgängen und andererseits
die Unversehrtheit der von Personen benutzten Räume in definierten
Unfallsituationen zu garantieren. Die Gleichsetzung dieser beiden unterschiedlichen
Anforderungen und Regelung in einem Grenzwert ist aber nicht nachvollziehbar.
Die erste Forderung ist einfach zu erfüllen. Wegen der verbesserten
Technik wird heute sowohl im Güter- als auch im Reisewagen Bereich
weniger "hart" rangiert. Im Personenverkehr werden vermehrt Triebzüge
eingesetzt, die Zahl der Zugbildungen ist gesunken.
Die zweite Anforderung ist zwar durch eine hohe
Strukturfestigkeit zu erzielen, genauso gut aber auch durch energieverzehrende
Vorkehrungen, die auch den Vorteil von geringeren Beschleunigungen der
Fahrgäste im Kollisionsfall aufweisen, als starre Konstruktionen.
Die damals aus den UIC-Merkblättern übernommenen
Anforderungen stellen nun den Stand der Technik dar. Wer davon abweichen
will muß (gem. §2 EBO) mindestens die gleiche Sicherheit nachweisen.
Die Schwierigkeit eines Vergleichs besteht nun darin, daß die Einhaltung
der Grenzwerte als ausreichend sicher definiert wird. Was bei Stößen
unterhalb dieser Grenzwerte z.B. im Fahrzeuginneren mit den Fahrgästen
passiert, oder wie sich die Fahrzeugstruktur beim Überschreiten der
Grenzwerte verändert ist nicht von belang. Um andere Konstruktionen
einführen zu können, müssen also die genauen Unfallauswirkungen
bei UIC konformen Fahrzeugen in Abhängigkeit von Fahrzeugtyp, der
Geschwindigkeit und vom Unfallpartner ermittelt werden, um eine Vergleichsbasis
zu erhalten. Erst dann kann man mit den Unfallauswirkungen bei LNTs Schlüsse
ziehen , ob gleiche Sicherheit gegeben ist. Dieses komplexe Thema wurde
erst aufgegriffen, nachdem schon mit den LNT-Gutachten und der Formulierung
besonderer Bedingungen gleiche Sicherheit (auf anderem Wege) nachgewiesen
wurde. Die Crashsimulationen wurden mittels FE-Programmen aus der Kfz-Industrie
durchgeführt (siehe dazu [122]).
Das LNT Gutachten (Basisgutachten) geht bei seinen
Berechnung von den absoluten Unfallzahlen der Jahre 1989 bis 1992 aus,
die dann nach Arten getrennt und auf die zurückgelegten Zugkilometer
umgelegt werden. Damit wird die Unfallwahrscheinlichkeit definiert; in
der Studie wird aber wiederholt eingeräumt, daß die vorhandene
Datenmenge sehr gering ist. Trotzdem haben die Verfasser sich entschieden,
die Berechnungen durchzuführen. So sind von den 3150 verzeichneten
Unfällen in vier Jahren 190 auf die Kategorie Zusammenstoß entfallen.
Diese Kategorie teilt sich in drei Unterkategorien, nämlich Frontal,
Auffahren und Flankenfahrt. In der Kategorie Frontaler Zusammenstoß
verbleiben dann noch 10 Ereignisse im Untersuchungszeitraum. Nach Umrechnung
in "Unfälle/Jahr" bleibt ein "Stichprobenumfang" von 2.5 Frontalunfällen/Jahr.
Selbst wenn die Gesamtzahl der Zusammenstöße über die Jahre
relativ konstant gewesen sein sollte, sagt dies über die Verteilung
bzw. Verschiebungen innerhalb der Gruppe nichts aus. Gerade die Unfallart
frontaler Zusammenstoß ist aber die mit Abstand schwerste Unfallart
mit den meisten geschädigten Personen pro Unfall. Die Statistik weist
pro Unfall durchschnittlich 34.6 Geschädigte aus; die nächste
Kategorie (Zusammenstoß infolge Auffahren) folgt in weitem Abstand
mit durchschnittlich 6.6 Geschädigten. In der Studie wird immer mit
diesen Mittelwerten gerechnet. Streuungen werden nicht berücksichtigt.
Eine Berechnung mit den Grenzwerten der Varianz würde vielleicht andere
Ergebnisse liefern. Die Berechnungen konnten von mir nicht nachvollzogen
werden, weil nicht alle in der Studie verwendeten Werte vorlagen (z.B.
der Streckenfaktor sB, der die unterschiedliche Streckenausrüstung
berücksichtigen soll). Die angestrebte Vergleichsrechnung mußte
deswegen entfallen. Noch einmal sei aber darauf hingewiesen, daß
sowohl die Zeitreihenlänge (4 Jahre) als auch die geringen Fallzahlen
einzelner Kategorien sehr kritisch hinsichtlich der statistischen Auswertung,
die ja ihre Aussagekraft auf eine große Fallzahl und nicht auf Einzelfälle
stützt, sind.
Eine weitere mögliche Fehlerquelle ergibt sich
aus der Abschätzung der Schadensausmaße, der Aversionsfaktoren
und der Faktoren für die Streckenausrüstung. Auch wenn die Abschätzungen
noch so fachkundig und gewissenhaft durchgeführt werden, bleiben nicht
zu unterschätzende Unsicherheiten. z.B. wenn die zehn zur Auswertung
vorliegenden Unfälle der Kategorie frontaler Zusammenstoß für
die Schadensausmaße der acht verschiedenen Betriebsfälle (Tabelle
4) herangezogen werden. Die angeführten Werte unterliegen auch hier
Streuungen und werden über die Kategorien mit Streckensicherheitsfaktoren
sowie durchschnittlichen Besetztheitsgraden interpoliert. Für die
Schadensausmaße mit LNTs, wo keine Werte aus Unfallbilanzen vorliegen
wird das Doppelte angesetzt, für die Unfallkombinationen LNT / normales
EBO Fahrzeug ein Aversionsfaktor von 3.
Bei LNTs ist die durchschnittliche Beförderungskapazität deutlich geringer als bei herkömmlichen Zügen. Unter Beachtung des durchschnittlichen Besetztheitsgrads ergibt sich pro Einheit LNT eine geringere Zahl potentieller Unfallopfer. Diese Tatsache ist auch bei den Schadensausmaßen der Tabelle 6 des Basisgutachtens mitberücksichtigt worden.
Dieses Vorgehen legt aber den Schluß nahe, daß die nachgewiesene gleiche Sicherheit letztendlich wesentlich in der kleineren Kapazität der verwendeten LNT Fahrzeuge begründet liegt!
Zwar ist das Vorgehen durchaus übliches, aber meiner Meinung nach nur begrenzt einsetzbar und mit den oben beschriebenen Fehlerquellen behaftet.
Aus den Angaben zu den Schadensausmaßen geht (zumindest in der Kurzfassung zur Studie) nicht deutlich hervor, ob bei den "geschädigten Reisenden" auch das Betriebspersonal im Zug mitberücksichtig ist.
Im Ergänzungsgutachten werden die Unfallwahrscheinlichkeiten einzelner Kategorien abgemindert. Begründet wird dies mit der besonderen Betrachtung der Unfälle mit Personenschäden. Die verbleibenden Fallzahlen im vier Jahreszeitraum sind zehn für die Unfallart Zusammenstoß infolge Flankenfahrt und 28 für die Unfallart Zusammenstoß infolge Auffahrens. Der Wegfall des Aversionsfaktors für die Unfallart Flankenfahrt wird mit der geringen Unfallhäufigkeit und dem geringen Schadensausmaß begründet; für den Aversionsfaktor ist allerdings die Unfallwahrscheinlichkeit selbst kein Kriterium.
Über die Ursachen dieser einseitigen europäischen
Entwicklung lassen sich nur Vermutungen anstellen.
Wie schon weiter oben bemerkt, handelt es sich bei
den Mischbetriebsformen meistens um die Kategorie "Stadtbahn", die sich
aus den Straßenbahnen entwickelte und deren Anfänge etwa 1965
in Deutschland begannen. Trotz des Niedergangs der Straßenbahnen
in den 60er und 70er Jahren existierten in Deutschland (Stand 1993 [123])
55 Straßenbahnbetriebe, in der Schweiz, Italien, Tschechien und Rumänien
sieben, in Holland sechs(?), in Frankreich ebenfalls sechs, in Österreich
fünf und in England nur vier. Dies mag ein Grund sein, daß aufgrund
der größeren Zahl von Betrieben auch eher Anstöße
für neue Verkehrsüberlegungen entstanden.
Die deutsche Siedlungsstruktur (verbunden mit der föderalen Gliederung) dürfte ebenfalls zur günstigen Entwicklung beigetragen haben. Weil in Deutschland doch relativ viele mittelgroße Städte im Bereich um 500000 Einwohner oder darunter vorhanden sind, für die der klassische U-Bahn Bau einfach zu teuer war, wurde hier die Stadtbahnentwicklung teilweise unterirdisch vorangetrieben. Die Techniken waren so eingeführt und bekannt und konnten später in kleineren Städten im Oberflächenbereich umgesetzt werden.
Seit 1971 existiert in Deutschland das Gemeindeverkehrsfinanzierungsgesetz,
welches staatliche Zuschüsse regelt und Investitionen nicht auf große
Ballungsräume beschränkt.
Die Bildung von Verbänden wie VDV und BDE,
die aktiv an der Weiterentwicklung von Richtlinien und Komponenten beteiligt
waren und die Kräfte lenkten und bündelten sowie die staatliche
Finanzierung von Forschungsvorhaben sind ein weiterer Mosaikstein.
Ein Vergleich mit andern europäischen Ländern
kann nicht gegeben werden.
Von David Jenkins [96]
wurde ja die These aufgestellt, daß Deutschland aufgrund seiner zweigeteilten
und detaillierten Gesetzgebung in Eisenbahnen (EBO/ESBO) und leichte Nahverkehrsfahrzeuge
(BOStrab) die besseren Voraussetzung für Mischsysteme hatte, weil
der zu gehende Weg von einem System zum anderen dadurch klarer aufgezeigt
wurde. Aus Deutscher Sicht ist dies schwer einzuschätzen; vielleicht
würde man sich als Deutscher heute eher eine einheitliche Gesetzgebung
für alle Varianten der Schienenbahnen wünschen, was aber, bevor
an Mischsysteme überhaupt gedacht wurde wirklich die Gefahr der Bildung
von verschiedenen Kategorien und Trennung bedeutet hätte.
Die grundsätzlichen rechtlichen und technischen Probleme dürfen als gelöst betrachtet werden. Die Zulassung von (leichten) Stadtbahnfahrzeugen auf EBO Strecken kann inzwischen sogar nach zwei Arten erfolgen.
Die weitere Technische Entwicklung wird die Einsatzmöglichkeiten
der Mischbetriebe einschneidend verändern. Zu unterscheiden sind die
zwei Felder Antriebsenergie und Sicherungstechnik.
Im Bereich der Sicherungstechnik werden durch neue
GSM-R Systeme bessere Wirtschaftlichkeit und als "Nebeneffekt" höhere
Sicherheit auch für Regionalstrecken möglich. Durch Verlagerung
von Teilfunktionen in die Fahrzeuge und funkbasierte Übertragungswege
wird die Streckeninfrastruktur reduziert und dadurch auch kostengünstiger.
Die Einsparungen bei den Personalkosten sind beträchtlich.
Bei der Bereitstellung der Antriebsenergie sind
wiederum zwei Aspekte von Bedeutung: Die Weiterentwicklung dieselelektrischer
Antriebe hinsichtlich des Platzbedarfs für den Einbau, der Leistungsfähigkeit,
aber auch der Schall- und Vibrationsdämmung. Zweitens die Verbesserung
des Energieinhalts und des Ladeverhaltens von Batteriesystemen.
Wenn auf diesen Feldern alltagstaugliche und finanzierbare Lösungen existieren, können Strecken mit sehr niedrigem Ausbaustandard in die Mischbetriebskonzepte mit einbezogen werden. Solche Strecken ohne Elektrifizierung und moderne Signaltechnik konnten bisher wegen der hohen Umrüstungskosten nur bei hohem Fahrgastaufkommen bzw. hoher Nutzung realisiert werden. Durch die geringeren Kosten wird diese Grenze nach unten gehen.
Generell kann man sagen, daß die Verwirklichung
von Mischbetrieben in den meisten Fällen über spezielle Fahrzeuge
realisiert wird. Nur kleine Streckenteile erlauben auch fahrwegseitige
Anpassungen. Bei größeren Netzen scheitert dies schon an den
Kosten; außerdem dürfen ja die bestehenden Fahrzeugflotten keinen
Einschränkungen ausgesetzt werden.
Zudem erreichen die speziellen Fahrzeuge eine viel
größere Freizügigkeit, als Systeme mit einzeln angepaßten
Strecken.
Die Weiterführung von U-Bahnen außerhalb des Stadtgebiets an der Oberfläche nach den Vorbildern in Amsterdam und Rotterdam wurde auch schon in Deutschland erwogen. In Nürnberg wurden unter dem Begriff "Überlandmetro" schon Voruntersuchungen angestellt, die zu einem positiven Ergebnis bzgl. der technischen Realisierbarkeit kamen.
Im europäischen Ausland stehen die Mischbetriebe
größtenteils erst in der Anfangsphase.
Ob sich Mischbetriebe in England auf breiterer Basis
durchsetzten können, erscheint wegen der schwer zu bewältigenden
Bahnsteigverhältnisse fraglich. Gerade England könnte aber von
der Einführung von GSM-R Systemen besonders profitieren, wäre
dann ein einheitlicher Standard in der Sicherungstechnik vorhanden.
In Frankreich wird –auch im Zusammenhang mit dem
seit Mitte der achtziger Jahre forcierten Straßenbahnbau- eine weitere
Verbreitung zu erwarten sein. Die rechtlichen Lösungen werden sich
dabei mit Sicherheit am deutschen Vorbild orientieren, zumal nun eine zweite
Möglichkeit zur Überprüfung des Sicherheitsniveaus aufgezeigt
wurde.
Eine weitere Verbreitung von Betriebsarten, wie sie mit London, Oslo und Paris vorgestellt wurden, ist kaum mehr möglich. Die dortigen Verhältnisse kommen in Europa wirklich nur sehr selten vor. Die Möglichkeiten der Durchbindung bzw. Verknüpfung sind ausgeschöpft.
Die Aussichten für Mischbetriebe in grenznahen Gebieten ist nicht so einfach zu beurteilen. Wegen der verschiedenen nationalen Vorschriften wird es jeweils davon abhängen, ob für die beteiligten Länder rechtliche Mischbetriebslösungen existieren, und inwieweit sie für den Gemeinschaftsbetrieb vereinbar sind. Dazu kommen dann noch die technischen Probleme hauptsächlich hinsichtlich Sicherungstechnik und Antrieb. Die Anforderungen an die Sicherungstechnik kann unter solchen Fällen beispielsweise eine Anpassung an vier Systeme (2x Stadt, 2x Vollbahn) bedeuten. Die Verfügbarkeit wird daher mit der Entwicklung für Systeme der europäischen Eisenbahnen einhergehen. Der Bau von Fahrzeugen und Schnittstellen, die unter drei oder mehr unterschiedlichen Stromsystemen fahren können, wurde bisher nicht realisiert, und es wird sich in Luxemburg zeigen, ob die Einrichtungen Volumen- und Gewichtsmäßig in Nahverkehrsfahrzeugen integriert werden können.
Die europäische Normung ist im Bahnbereich unterschiedlich
fortgeschritten. Durch die Arbeit des UIC konnten auch in Europa viele
Bereiche des internationalen Eisenbahnverkehrs einheitlich geregelt werden
und finden auch Eingang in die nationalen Vorschriften. Im Nahverkehrsbereich
war eine Vereinheitlichung aufgrund der getrennten Systeme ohne Übergänge
nicht vom gleichen Stellenwert. Erst Binnenmarkt und verstärkter internationaler
Wettbewerb schufen hier Handlungsbedarf; mit der Erarbeitung von Vorschriften
für einzelne Themenbereiche wurde durch CEN und CELNEC begonnen (z.B.
Anforderungen an Bremsen; 1994). Diese Regelungen werden dann in Nationale
Vorschriften umgesetzt und ersetzen die vorhandenen Vorschriften.
Die nationalen Vorschriften werden also keineswegs
über Nacht durch europäische ausgewechselt.
Eine wichtige Rolle bei der weiteren Verbreitung werden die zu bezahlenden Trassenpreise spielen. Grundsätzlich ist zwar der Zugang zur Eisenbahninfrastruktur möglich (§14 AEG sowie RL 91/440 EWG und RL95/19 EG); allerdings müssen die angesetzten Preise den entstehenden Kosten entsprechen und das Preisniveau muß insgesamt durch Rationalisierungen im Schienennetz gesenkt werden.
Eine weitere Entwicklungsform ist der Wechsel vom Maßsystem A über Zwischenstufen der Verschleißprofile zum Maßsystem B. Im Nürnberger Straßenbahn Bereich wurde diese Möglichkeit überprüft und kommt in den nächsten zwei Jahren zur Durchführung [125]. Der Vorteil dieses Wechsels liegt in der Möglichkeit, danach Übergänge zum Maßsystem C zu realisieren. Die Entwicklung könnte hier (besonders im Regelspurbereich) zu einem halbwegs kompatiblen Spurführungs- bzw. Radsysteme führen, was die unterschiedliche Wege, die Straßen- und Eisenbahnen in Deutschland gingen, wieder zusammenführt.
Aus Spurführungstechnischer Sicht wäre eine Untersuchung des Stuttgarter Mischbetriebs mittels eines Dreischienengleises noch interessant gewesen. Dieser Mischbetrieb soll den zeitlich begrenzten Übergang von Meter- auf Regelspur ermöglichen und ist damit entsprechend der Themeneingrenzung in der Einführung nicht berücksichtigt worden, zudem dies komplett den Rahmen dieser Arbeit gesprengt hätte.
Ich versichere, daß ich die vorliegende Vertieferarbeit
selbständig gefertigt habe.
Alle verwendeten Quellen und Hilfsmittel habe ich
vollständig angegeben.
Karlsruhe, 12.9.98 _______________________
| A | |
| AEG | Allgemeines Eisenbahngesetz |
| ATC | Automatic Train Control |
| ATP | Automatic Train Protection |
| AVG | Albtal Verkehrs Gesellschaft |
| B | |
| BbG | Bundesbahn Gesetz |
| BDE | Bundesverband Deutscher Eisenbahnen |
| BMV | Bundesministerium für Verkehr |
| BOA | Verordnung über den Bau und Betrieb von Anschlußbahnen |
| BOStrab | Verordnung über den Bau und Betrieb der Straßenbahnen |
| BR | British Tail |
| BÜV-NE | Bahn Übergang Verordnung - Nicht bundeseigene Bahnen |
| BZU | Bahngesellschaft Zürich Uetliberg |
| C | |
| CELNEC | Europäische Normungsorganisation |
| CEN | Europäische Normungsorganisation |
| CFL | Nationale des Chemins de Fer Luxembourgeois |
| CS | Central Station |
| D | |
| DB | Deutsche Bundesbahn |
| DB AG | Deutsche Bahn Aktien Gesellschaft |
| DBGrG | Deutsche Bahn Gründungsgesetz |
| DIN | Deutsches Institut für Normung |
| DMU | Diesel Multiple Unit |
| DR | Deutsche Reichsbahn |
| DS | Drucksache (DB AG Vorschriften) |
| DUEWAG | Düsseldorf/Uerdinger Wagonbau AG |
| E | |
| EBA | Eisenbahn Bundesamt |
| EBO | Eisenbahn Bau- und Betriebsordnung |
| EBOA | Eisenbahn Bau- und Betriebsordnung für Anschlußbahnen |
| EEG | Europe Etudes Gegti |
| EKrG | Eisenbahn Kreuzungsgesetz |
| EMV | Elekrtomagnetische Vertr'glichkeit |
| ESBO | Eisenbahn Bau- und Betriebsordnung für Schmalspurbahnen |
| ESO | Eisenbahn Signalordnung (=DS 301) |
| ETR | Eisenbahntechnische Rundschau |
| Eurobalise | Streckengerät zur Zugortung |
| Eurocab | Einheitliche Bedienoberfläche im Führerstand europäischer Eisenbahnfahrzeuge |
| EVO | Eisenbahn-Verkehrsordnung |
| F | |
| FFB | FunkFahrBetrieb |
| FV | Fahrdienstvorschrift |
| FV-NE | Fahrdienstvorschrift Nichtbundeseigne Eisenbahnen |
| G | |
| GART | Group of Authorities Responsible for Transport |
| GFT | Gemeinsame Fahrflächen Tangente |
| GG | Grundgesetz der Bundesrepublik Deutschland |
| GNRT | Greater Nottingham Rapid Transit |
| GSM-R | Global System for Mobile Communication - Rail |
| GVFG | Gemeinde Verkehrs Finanzierungsgesetz |
| H | |
| HMRI | Her Majesty´s Railway Inspectorate |
| HPflG | Haftpflicht Gesetz |
| HVV | Hamburger Verkehrs Verbund |
| I | |
| IBIS | Integiertes Bord Informations System |
| IMU | Fahrsperre |
| Indusi | Induktive Zugsicherung |
| IV | Individualverkehr |
| K | |
| KBE | Köln Bonner Eisenbahn |
| KNE | Kassel Nauemburger Eisenbahn |
| Krokodil | Französisches Zugsicherungssystem |
| KVB | Kölner Verkehrs Betriebe |
| KVG | Kasseler Verkehrs Gesellschaft |
| KVV | Karlsruher Verkehrsverbund |
| L | |
| LEG | Allgemeine Abkürzung für die verscheidenen Landeseisenbahngesetze |
| LNT | Leichter Nahverkehrs Triebwagen |
| LRT | Light Rapid Transit oder Light Rail Transit |
| LRV | Light Rail Vehicle |
| LSA | Lichtsignalanlage (manche sagen auch Ampel:) |
| LZB | LinienZugBeeinflussung |
| N | |
| NE | Nichtbundeseigene Eisenbahn (heute: RE Regionale Eisenbahnen) |
| NS | Niederländische Staatsbahn |
| NSB | Norwegische Staatsbahn |
| O | |
| Obri-NE | Oberbaurichtlinien-Nichtbundeseigene Eisenbahnen |
| Obv | Oberbaurichtlinien |
| OEG | Oberrhienische Eisenbahn Gesellschaft |
| ÖPNV | Öffentlicher Personennahverkehr |
| OR | Oberbaurichtlinien des VDV |
| OR-Z | Zusätze zu den Oberbaurichtlinien des VDV |
| P | |
| PbefG | Personenbeförderungsgesetz |
| Premetro | Vorlaufbetrieb in der Bau-/Umstellungsphase |
| R | |
| Railtrack | Infrastrukturbetreiber des englischen Eisenbahnnetzes |
| RATP | Régie Autonome des Transports Parisiens |
| RB | Regional Bahn |
| RC | Rail Consult Köln |
| RCOR | Railway Construction and Operating Requirements (England) |
| RE | Regionale Eisenbahnen (Früher: Nichtbundeseigene Eisenbahnenbahnen NE) |
| RE | Regional Express |
| RFF | Réseau Ferré de France |
| RGB | Regional Bahn Kassel GmbH |
| RHB | Rhein Haardt Bahn |
| S | |
| SBB | Schweizer Bundes Bahn |
| SiFa | SicherheitsFahrschaltung |
| SNCF | Société Nationale des Chemins de Fer Francais |
| SO | Schienenoberkannte |
| SpR | Spurführungsrichtlinien zur BOStrab |
| StVO | Straßenverkehrs Ordnung |
| StVZO | Straßenverkehrs Zulassungsordnung |
| Systra-Sofretu | Franz. Consulting Firma |
| T | |
| TER | Transport express régional |
| TTK | Transport Technologie Consult Karlsruhe |
| U | |
| UIC | Union Internationale des Chemins de fer (Internationaler Eisenbahnverband) |
| UITP | Union Internationale de Transport Publics (Internationaler Nahverkehrsverband) |
| V | |
| VAG | Verkehrs Aktiengesellschaft Nürnberg |
| VAL | Vehicle Automtique Leger |
| VBK | Verkehrsbetriebe Karlsruhe |
| VDE | Verband Deutscher Elektrotechniker |
| VDV | Verband Deutscher Verkehrsunternehmen |
| VÖV | Alte Bezeichnung des heutigen VDV (vor der Wiedervereingung: Verband öffentlicher Verkehrsunternehmen) |
| VRN | Verkehrsverbund Rhein Neckar |
| VUG | Verkehrs Unternehmergemeinschaft Baunatal jetzt: RBK Regional Bahn Kassel GmbH |
| W | |
| WIB | Arbeitsgemeinschaft Werk- und Industriebahn (beim BDE) |